Global Garden Products GGP Baujahr 2017 Benzin Mit Antrieb 2017 NP 534 W TR/E Blade and Hub for B&S E Engine Ersatzteile
Blade and Hub for B&S E Engine NP 534 W TR/E
Baujahr 2017

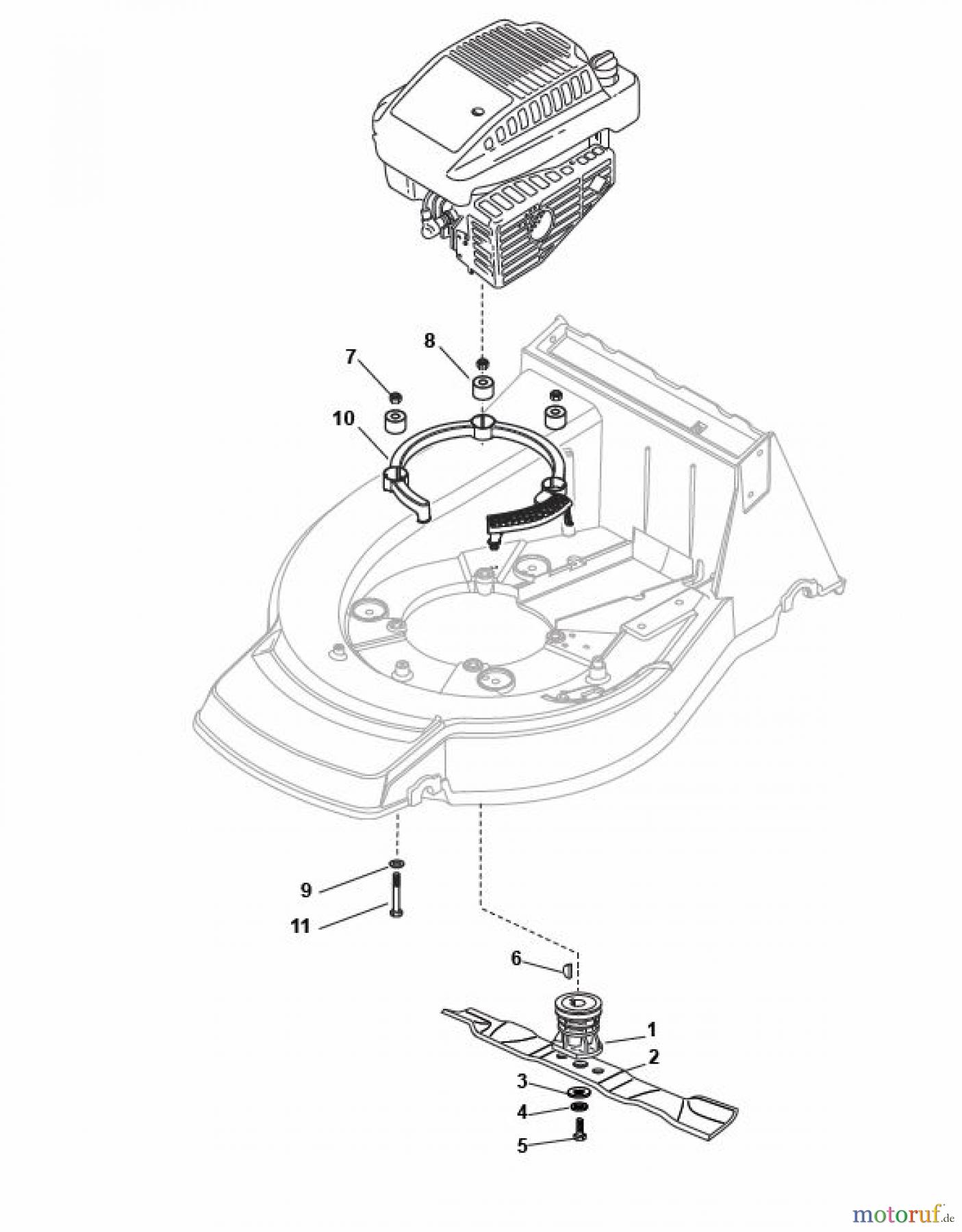
Hier finden Sie die Ersatzteilzeichnung für Global Garden Products GGP Rasenmäher Baujahr 2017 Benzin Mit Antrieb 2017 NP 534 W TR/E Blade and Hub for B&S E Engine. Wählen Sie das benötigte Ersatzteil aus der Ersatzteilliste Ihres Global Garden Products GGP Gerätes aus und bestellen Sie einfach online. Viele Global Garden Products GGP Ersatzteile halten wir ständig in unserem Lager für Sie bereit.
| BildNr | Artikel Nummer | Bezeichnung | |
| 1 | 122465638/1 | Hub With Pulley, Crankshaft Ø 22.2 | |
| 2 | ![]() | 181004366/2 | Blade |
| 3 | 122160400/0 | Elastic Disc | |
| 4 | 112523080/0 | Washer | |
| 5 | ![]() | 112736815/0 | Screw |
| 6 | ![]() | 112139100/0 | Feather, Crankshaft Ø 22,2 |
| 7 | ![]() | 112154210/0 | Nut |
| 8 | 122170835/0 | Spacer | |
| 9 | 112521350/0 | Washer | |
| 10 | 322170964/0 | Protection | |
| 11 | 112692050/0 | Screw | |


Qualitätsmanagement
Informieren Sie uns, wenn Sie einen Fehler gefunden haben.





