Global Garden Products GGP Baujahr 2017 Benzin Mit Antrieb 2017 MP1 554 WSQE Blade Ersatzteile
Blade MP1 554 WSQE
Baujahr 2017

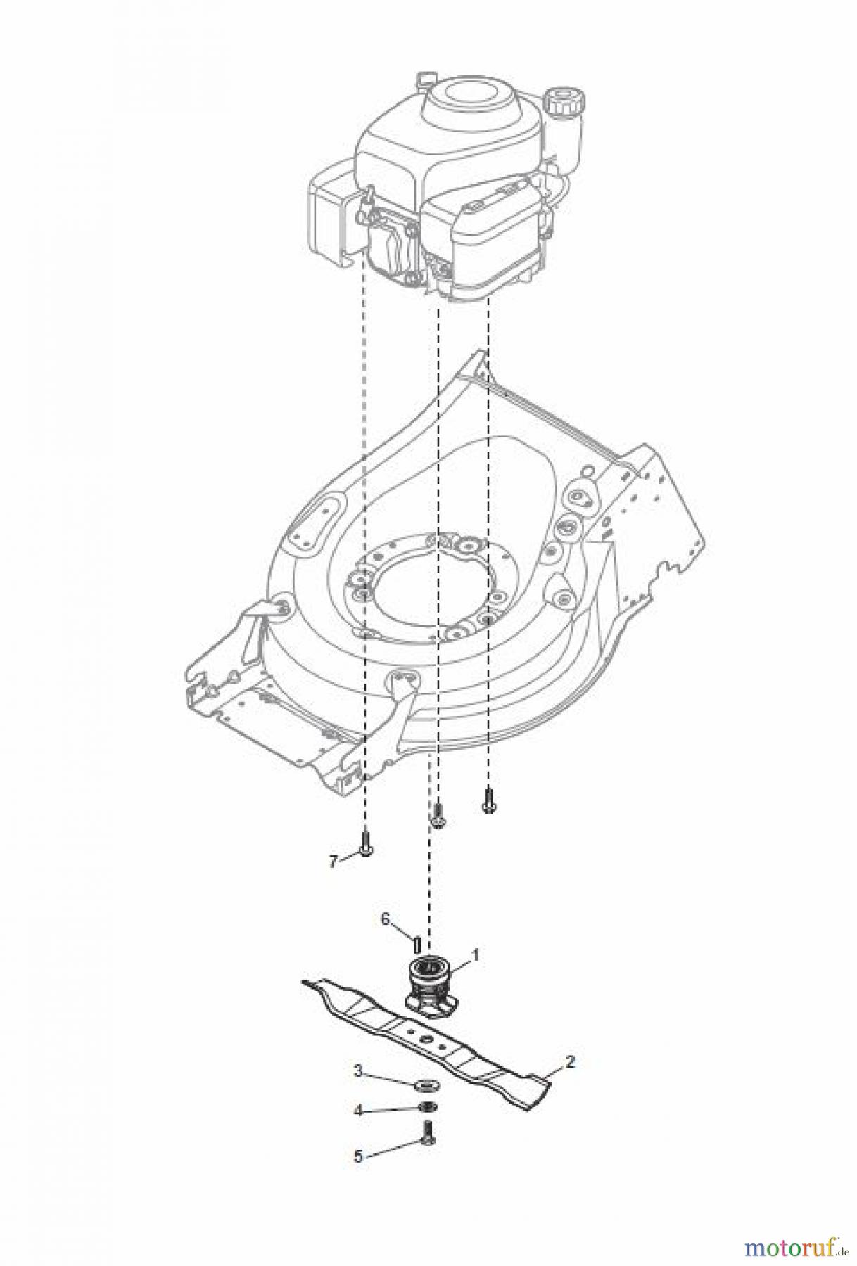
Hier finden Sie die Ersatzteilzeichnung für Global Garden Products GGP Rasenmäher Baujahr 2017 Benzin Mit Antrieb 2017 MP1 554 WSQE Blade. Wählen Sie das benötigte Ersatzteil aus der Ersatzteilliste Ihres Global Garden Products GGP Gerätes aus und bestellen Sie einfach online. Viele Global Garden Products GGP Ersatzteile halten wir ständig in unserem Lager für Sie bereit.
Häufig benötigte Global Garden Products GGP Baujahr 2017 Benzin Mit Antrieb 2017 MP1 554 WSQE Blade Ersatzteile

Artikelnummer: ST112508125/0
Suche nach: 112508125/0
Hersteller: Castelgarden
Global Garden Products GGP Ersatzteil Blade
Suche nach: 112508125/0
Hersteller: Castelgarden
Global Garden Products GGP Ersatzteil Blade
2.50 €
für EU incl. MwSt., zzgl. Versand


Qualitätsmanagement
Informieren Sie uns, wenn Sie einen Fehler gefunden haben.








