Global Garden Products GGP Baujahr 2017 Benzin Mit Antrieb 2017 MC 534 TR Wheel Ø 205 and Hub Cap Ersatzteile
Wheel Ø 205 and Hub Cap MC 534 TR
Baujahr 2017

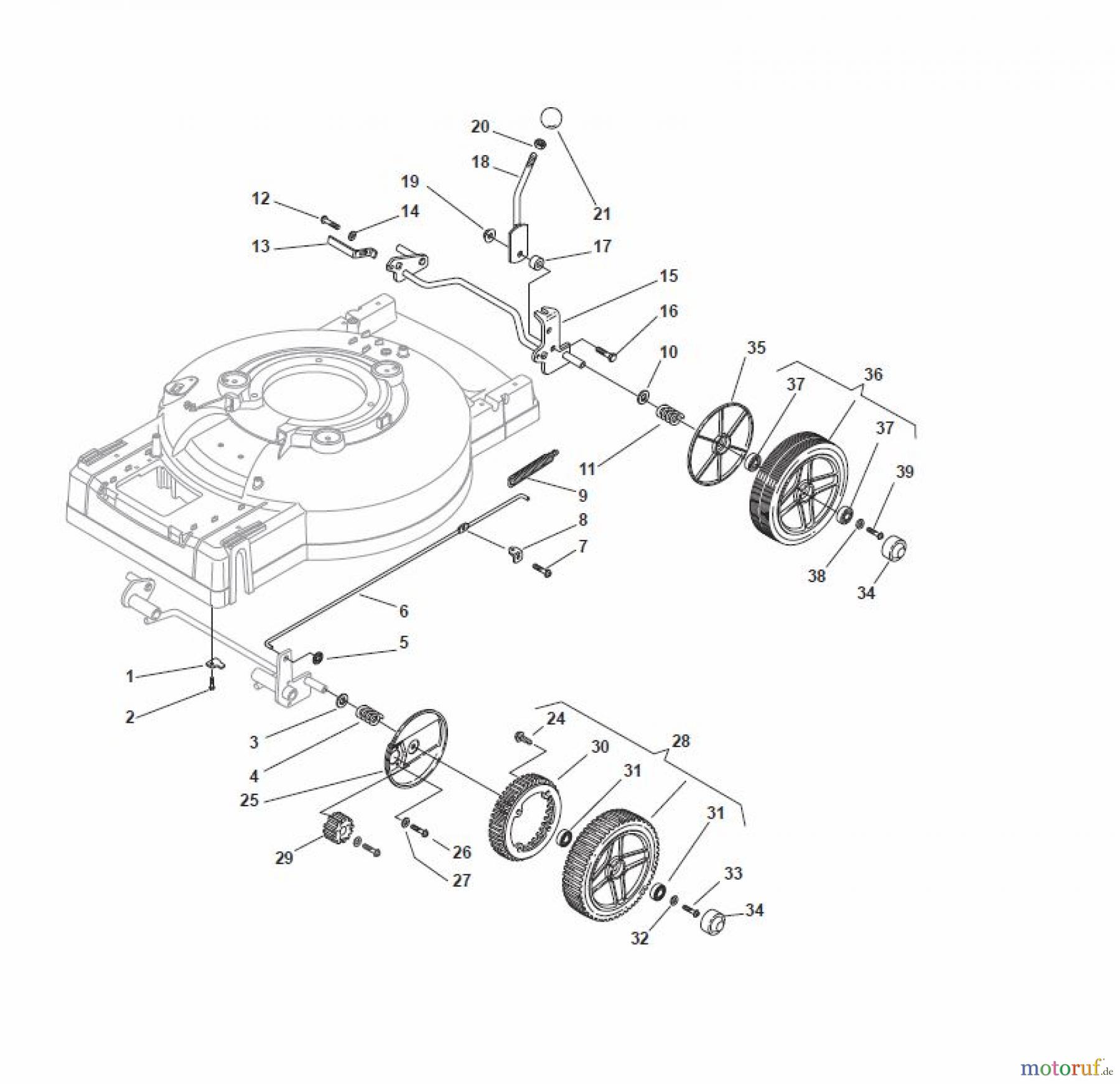
Hier finden Sie die Ersatzteilzeichnung für Global Garden Products GGP Rasenmäher Baujahr 2017 Benzin Mit Antrieb 2017 MC 534 TR Wheel Ø 205 and Hub Cap. Wählen Sie das benötigte Ersatzteil aus der Ersatzteilliste Ihres Global Garden Products GGP Gerätes aus und bestellen Sie einfach online. Viele Global Garden Products GGP Ersatzteile halten wir ständig in unserem Lager für Sie bereit.


Qualitätsmanagement
Informieren Sie uns, wenn Sie einen Fehler gefunden haben.

