Global Garden Products GGP Baujahr 2017 Akku 2017 Ohne Antrieb MCS 470 Li 80 Deck And Height Adjusting Ersatzteile
Deck And Height Adjusting MCS 470 Li 80
Baujahr 2017

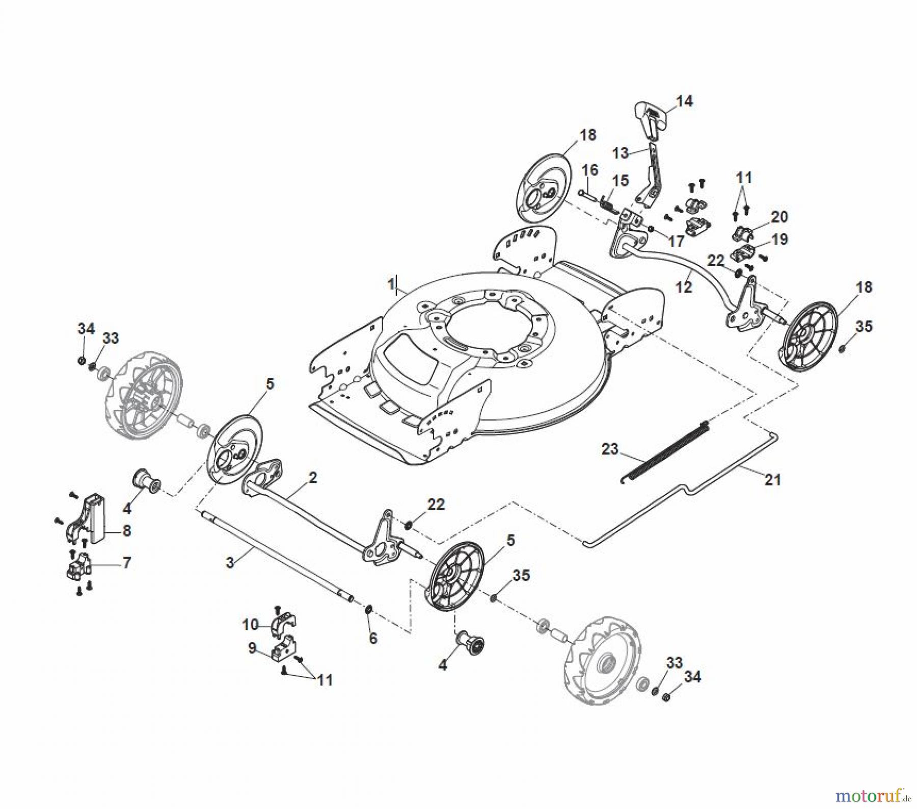
Hier finden Sie die Ersatzteilzeichnung für Global Garden Products GGP Rasenmäher Baujahr 2017 Akku 2017 Ohne Antrieb MCS 470 Li 80 Deck And Height Adjusting. Wählen Sie das benötigte Ersatzteil aus der Ersatzteilliste Ihres Global Garden Products GGP Gerätes aus und bestellen Sie einfach online. Viele Global Garden Products GGP Ersatzteile halten wir ständig in unserem Lager für Sie bereit.


Qualitätsmanagement
Informieren Sie uns, wenn Sie einen Fehler gefunden haben.


