Global Garden Products GGP XM_Series 2008 KANZAKI GETRIEBE K46AG (s/n 0030153- 9999999) Ersatzteile
KANZAKI GETRIEBE K46AG (s/n 0030153- 9999999) 2008

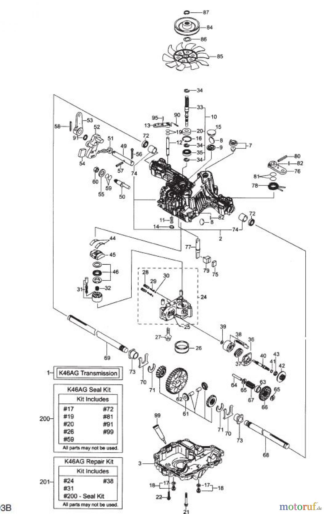
Hier finden Sie die Ersatzteilzeichnung für Global Garden Products GGP Frontmäher XM_Series 2008 KANZAKI GETRIEBE K46AG (s/n 0030153- 9999999). Wählen Sie das benötigte Ersatzteil aus der Ersatzteilliste Ihres Global Garden Products GGP Gerätes aus und bestellen Sie einfach online. Viele Global Garden Products GGP Ersatzteile halten wir ständig in unserem Lager für Sie bereit.


Qualitätsmanagement
Informieren Sie uns, wenn Sie einen Fehler gefunden haben.






