Global Garden Products GGP XK_XK4 SERIES 2009 XK4 160HD NEBENANTRIEB 4WD Ersatzteile
XK4 160HD NEBENANTRIEB 4WD 2009

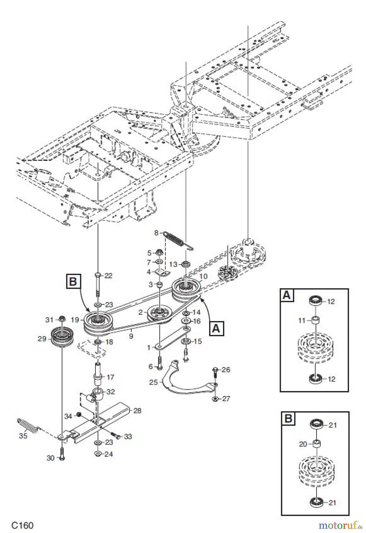
Hier finden Sie die Ersatzteilzeichnung für Global Garden Products GGP Frontmäher XK_XK4 SERIES 2009 XK4 160HD NEBENANTRIEB 4WD. Wählen Sie das benötigte Ersatzteil aus der Ersatzteilliste Ihres Global Garden Products GGP Gerätes aus und bestellen Sie einfach online. Viele Global Garden Products GGP Ersatzteile halten wir ständig in unserem Lager für Sie bereit.



