Global Garden Products GGP X1 2009 MOTOR Ersatzteile
MOTOR 2009

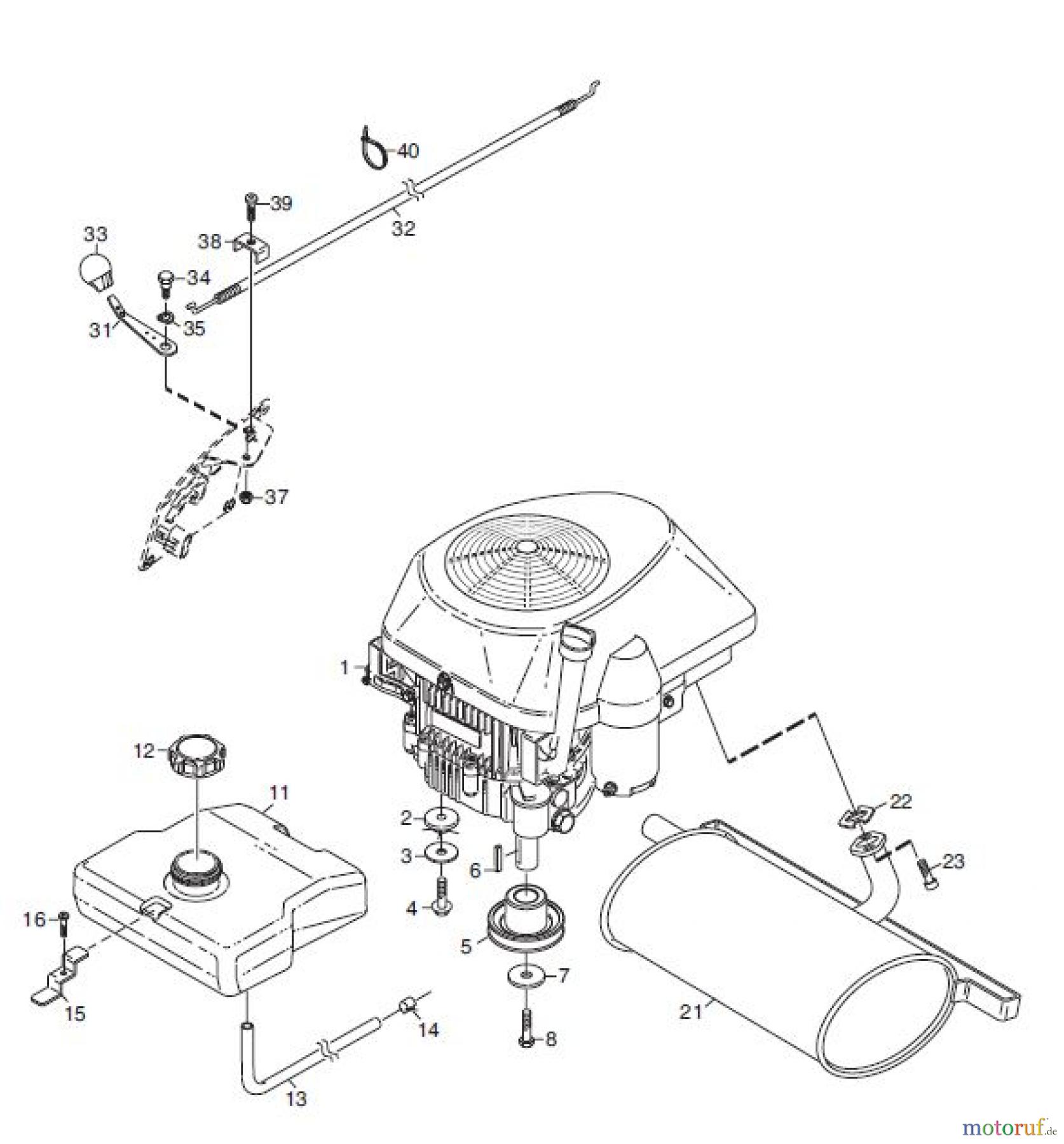
Hier finden Sie die Ersatzteilzeichnung für Global Garden Products GGP Frontmäher X1 2009 MOTOR. Wählen Sie das benötigte Ersatzteil aus der Ersatzteilliste Ihres Global Garden Products GGP Gerätes aus und bestellen Sie einfach online. Viele Global Garden Products GGP Ersatzteile halten wir ständig in unserem Lager für Sie bereit.


Qualitätsmanagement
Informieren Sie uns, wenn Sie einen Fehler gefunden haben.

