Global Garden Products GGP X1 2008 TRANSMISSION Ersatzteile
TRANSMISSION 2008

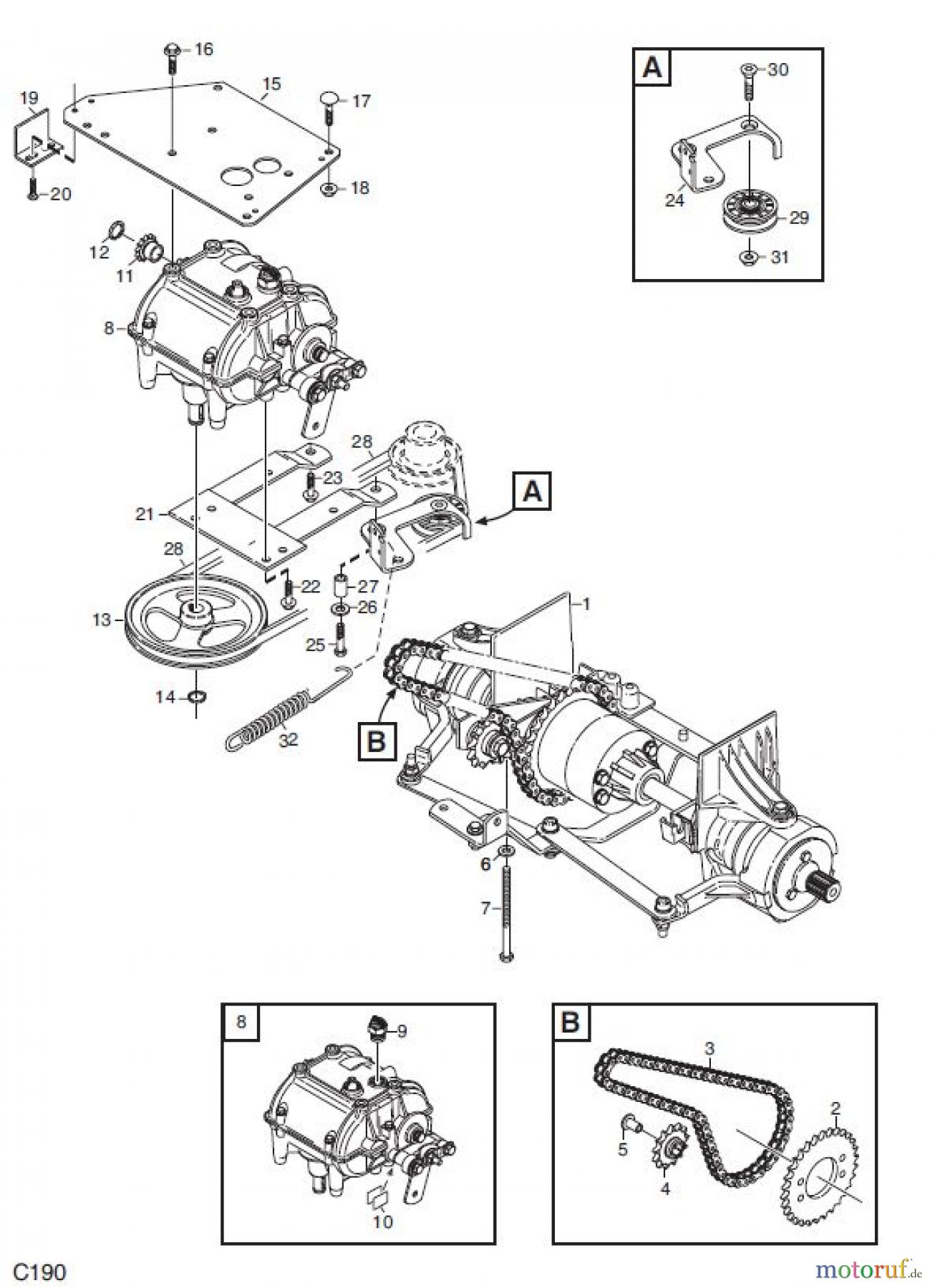
Hier finden Sie die Ersatzteilzeichnung für Global Garden Products GGP Frontmäher X1 2008 TRANSMISSION. Wählen Sie das benötigte Ersatzteil aus der Ersatzteilliste Ihres Global Garden Products GGP Gerätes aus und bestellen Sie einfach online. Viele Global Garden Products GGP Ersatzteile halten wir ständig in unserem Lager für Sie bereit.



