Oregon 542654 HYDRAUL. SCHLEIFGERÄT Ersatzteile
542654 HYDRAUL. SCHLEIFGERÄT Schleifgeräte, Nietgeräte und Vernietgeräte

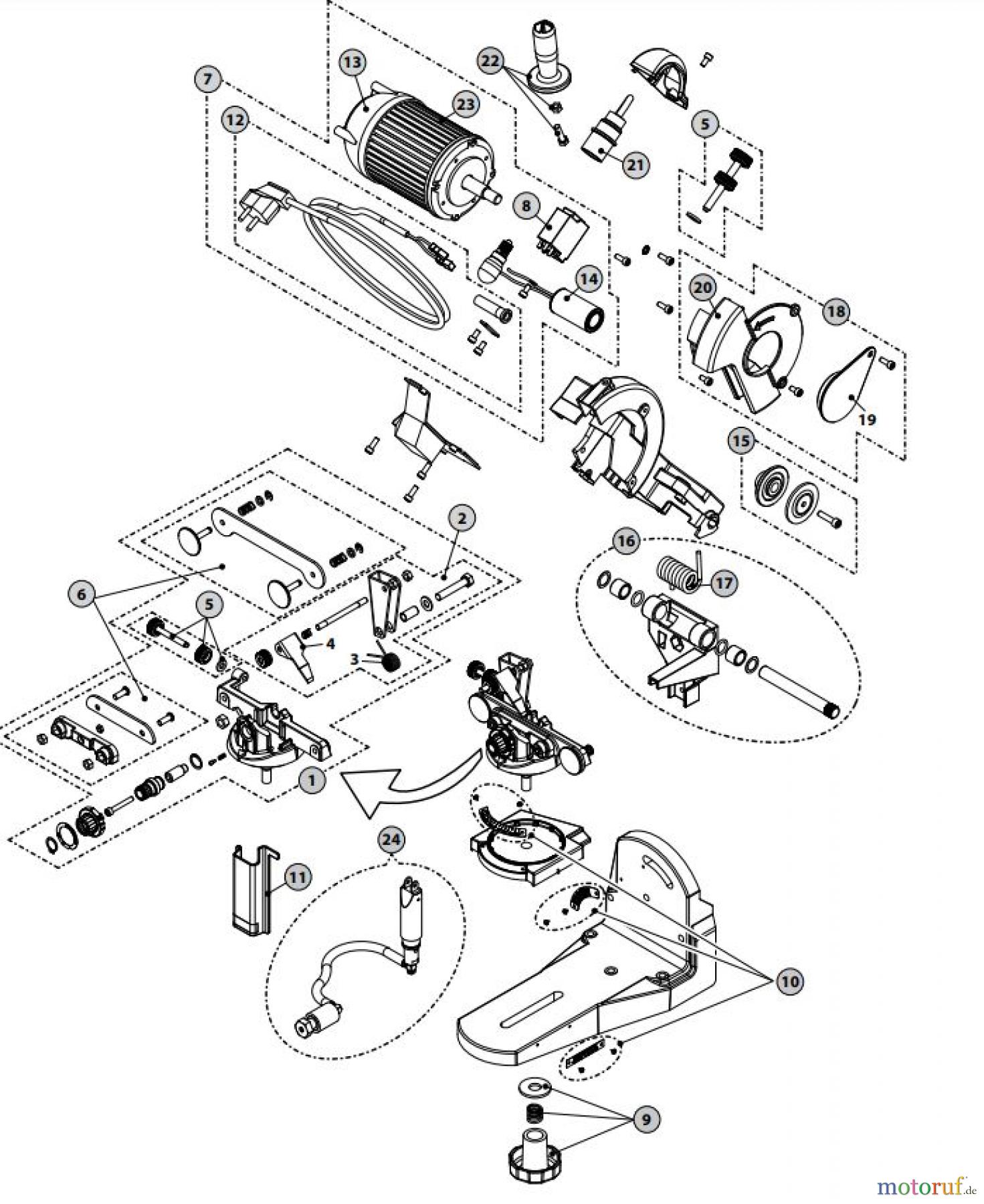
Hier finden Sie die Ersatzteilzeichnung für Oregon Schleifgeräte, Nietgeräte und Vernietgeräte 542654 HYDRAUL. SCHLEIFGERÄT. Wählen Sie das benötigte Ersatzteil aus der Ersatzteilliste Ihres Oregon Gerätes aus und bestellen Sie einfach online. Viele Oregon Ersatzteile halten wir ständig in unserem Lager für Sie bereit.


Qualitätsmanagement
Informieren Sie uns, wenn Sie einen Fehler gefunden haben.

