Oregon 32653A Kettenschleifgerät Ersatzteile
32653A Kettenschleifgerät Schleifgeräte, Nietgeräte und Vernietgeräte

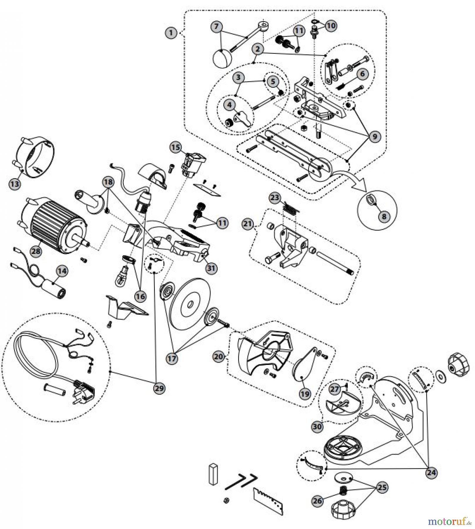
Hier finden Sie die Ersatzteilzeichnung für Oregon Schleifgeräte, Nietgeräte und Vernietgeräte 32653A Kettenschleifgerät. Wählen Sie das benötigte Ersatzteil aus der Ersatzteilliste Ihres Oregon Gerätes aus und bestellen Sie einfach online. Viele Oregon Ersatzteile halten wir ständig in unserem Lager für Sie bereit.
Häufig benötigte Oregon 32653A Kettenschleifgerät Ersatzteile


Qualitätsmanagement
Informieren Sie uns, wenn Sie einen Fehler gefunden haben.








