Gardena Schlauchwagen Schlauchwagen 60 TS Ersatzteile
Schlauchwagen 60 TS Schlauchwagen

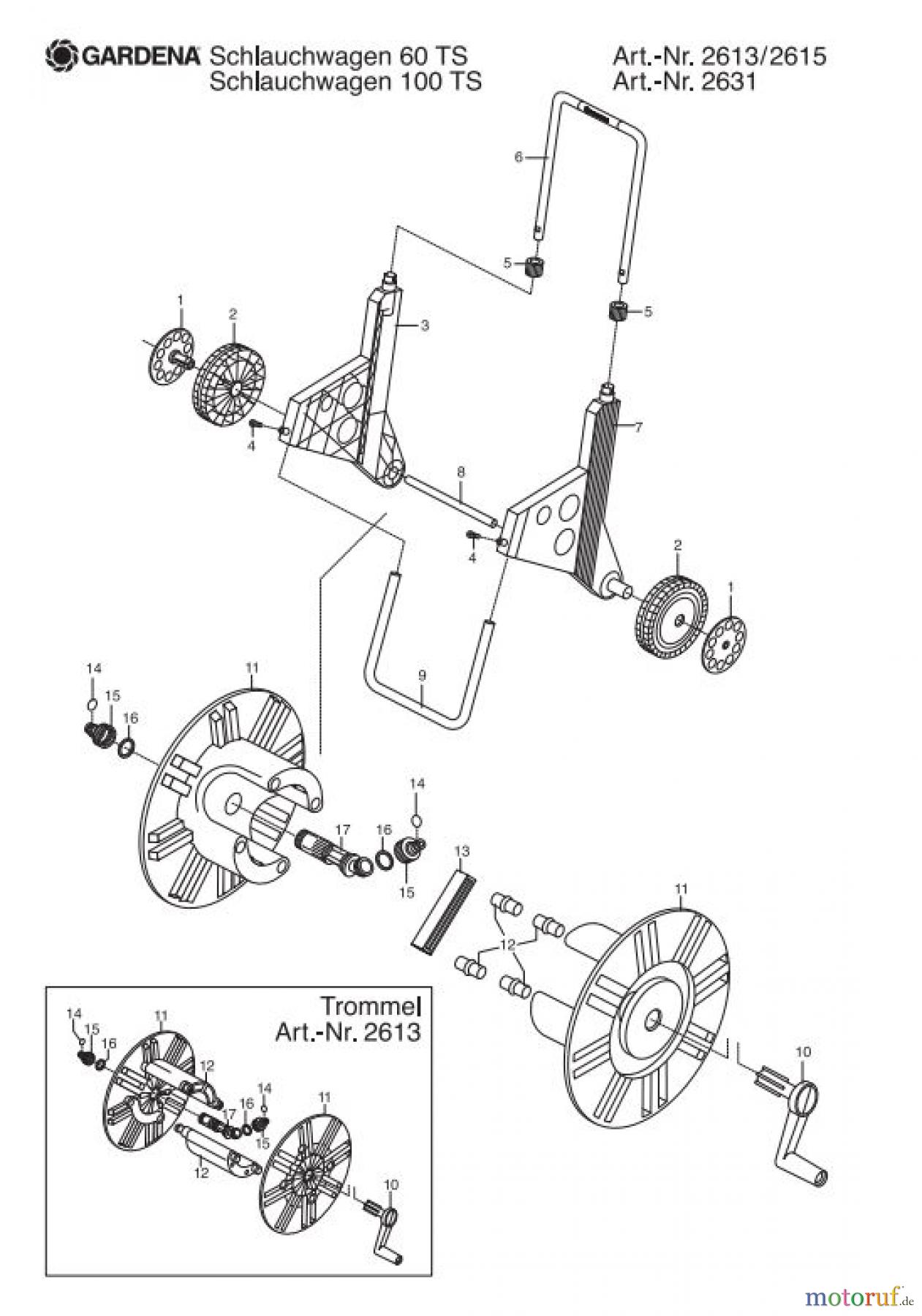
Hier finden Sie die Ersatzteilzeichnung für Gardena Wassertechnik Schlauchwagen Schlauchwagen 60 TS. Wählen Sie das benötigte Ersatzteil aus der Ersatzteilliste Ihres Gardena Gerätes aus und bestellen Sie einfach online. Viele Gardena Ersatzteile halten wir ständig in unserem Lager für Sie bereit.
Häufig benötigte Gardena Schlauchwagen Schlauchwagen 60 TS Ersatzteile

Artikelnummer: 2625-00.712.00
Suche nach: 2625-00.712.00
Hersteller: Gardena
Gardena Ersatzteil Schlauchwagen 60 TS
Suche nach: 2625-00.712.00
Hersteller: Gardena
Gardena Ersatzteil Schlauchwagen 60 TS
13.00 €
für EU incl. MwSt., zzgl. Versand

Artikelnummer: 2613-00.610.00
Suche nach: 2613-00.610.00
Hersteller: Gardena
Gardena Ersatzteil Schlauchwagen 60 TS
Suche nach: 2613-00.610.00
Hersteller: Gardena
Gardena Ersatzteil Schlauchwagen 60 TS
20.90 €
für EU incl. MwSt., zzgl. Versand


Qualitätsmanagement
Informieren Sie uns, wenn Sie einen Fehler gefunden haben.







