Solo by AL-KO Motorsensen Elektrosense 115 Ersatzteile
Elektrosense 115 Motorsensen
Artikel Nummer: 1000115 1000115
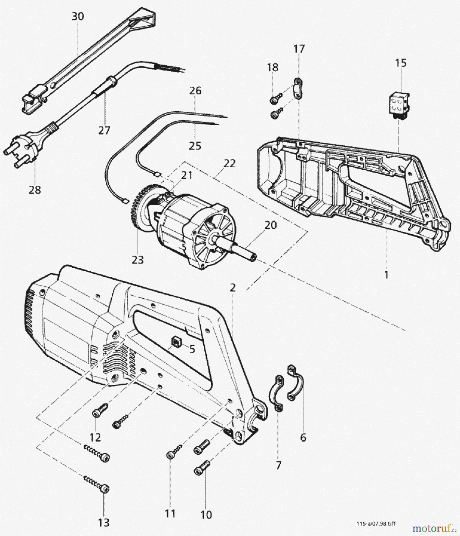
![Solo by AL-KO Gartentechnik Motorsensen Elektrosense 115 ET 071998 Druck 9 115 701 07/1998 [SN: ET 071998 Druck 9 115 701] - 02/2001 [SN: ET 122001 Druck 9 115 702] Seite 1](/bild2cache/zenbit_katbilder_garten_hobby_partnerweb_shop_parts_gif_1998_07_01_1000115ET_071998_Druck_9_115_701_1_gif-1545-1800.jpg)
Hier finden Sie die Ersatzteilzeichnung für Solo by AL-KO Gartentechnik Motorsensen Elektrosense 115 ET 071998 Druck 9 115 701 07/1998 [SN: ET 071998 Druck 9 115 701] - 02/2001 [SN: ET 122001 Druck 9 115 702] Seite 1. Wählen Sie das benötigte Ersatzteil aus der Ersatzteilliste Ihres Solo by AL-KO Gerätes aus und bestellen Sie einfach online. Viele Solo by AL-KO Ersatzteile halten wir ständig in unserem Lager für Sie bereit.






