Solo by AL-KO Motorsensen 149 Ersatzteile
149 Motorsensen
Artikel Nummer: 100014903 100014903
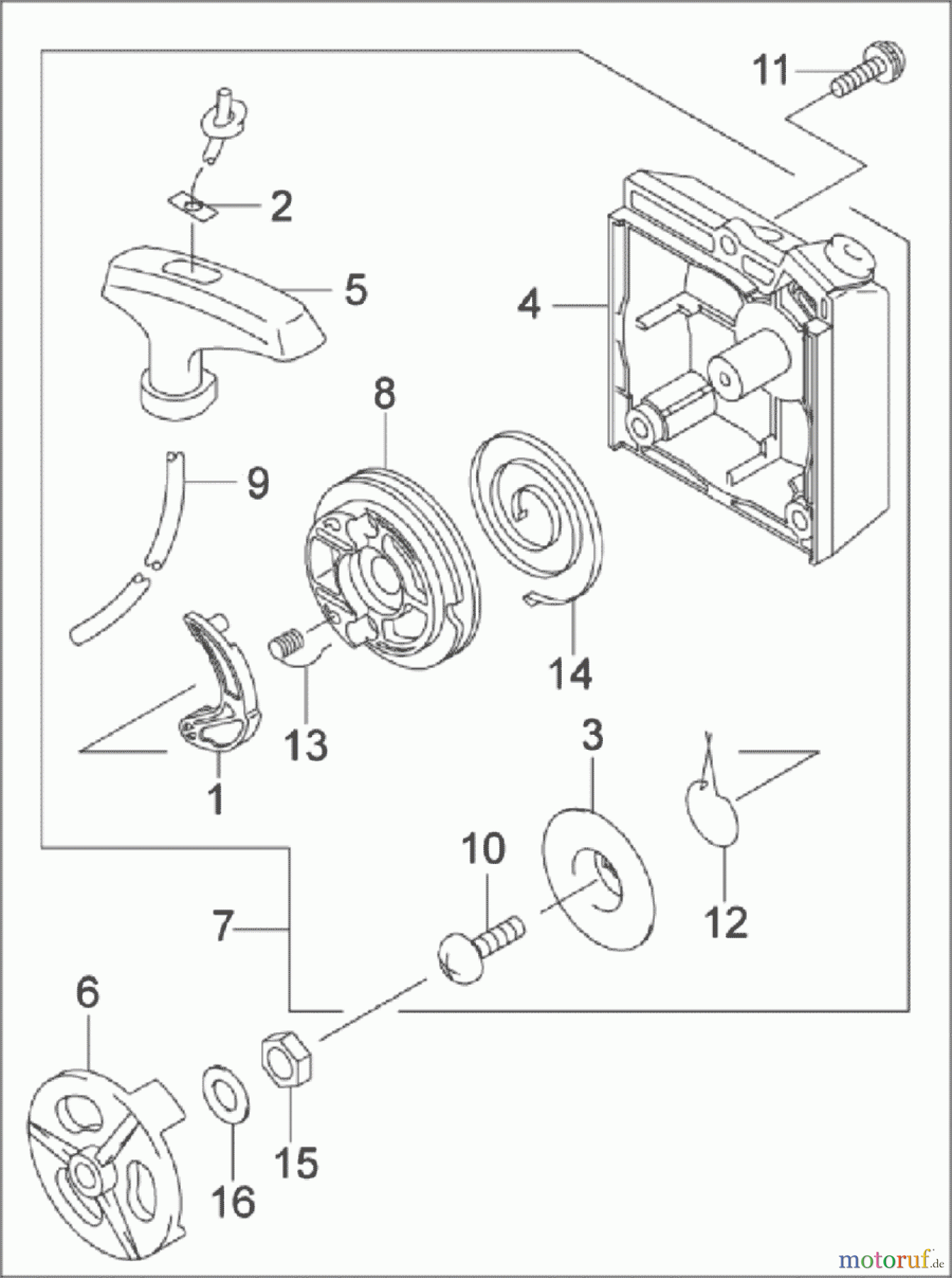
![Solo by AL-KO Gartentechnik Motorsensen 149 ET 052007 Druck 9 149 700 05/2007 [SN: ET 052007 Druck 9 149 700] Seite 9](/bild2cache/zenbit_katbilder_garten_hobby_partnerweb_shop_parts_gif_2007_05_01_100014903ET_052007_Druck_9_149_700_9_gif-1342-1800.jpg)
Hier finden Sie die Ersatzteilzeichnung für Solo by AL-KO Gartentechnik Motorsensen 149 ET 052007 Druck 9 149 700 05/2007 [SN: ET 052007 Druck 9 149 700] Seite 9. Wählen Sie das benötigte Ersatzteil aus der Ersatzteilliste Ihres Solo by AL-KO Gerätes aus und bestellen Sie einfach online. Viele Solo by AL-KO Ersatzteile halten wir ständig in unserem Lager für Sie bereit.


