Solo by AL-KO Motorsensen 145B Ersatzteile
145B Motorsensen
Artikel Nummer: 126471 126471
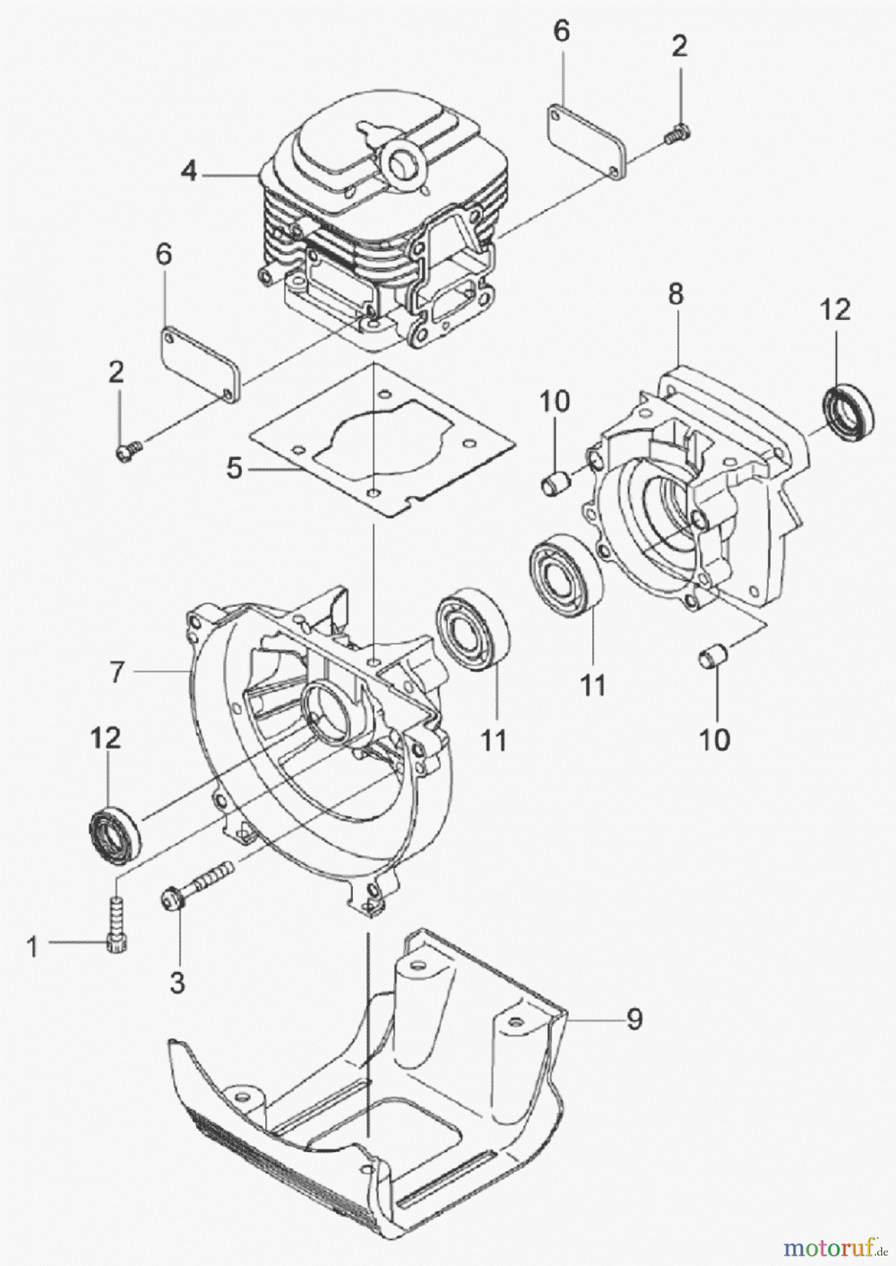
![Solo by AL-KO Gartentechnik Motorsensen 145B ET 112008 Druck 9 145 750 01/2008 [SN: ET 112008 Druck 9 145 750] Seite 1](/bild2cache/zenbit_katbilder_garten_hobby_partnerweb_shop_parts_gif_2008_01_01_126471ET_112008_Druck_9_145_750_1_gif-1274-1800.jpg)
Hier finden Sie die Ersatzteilzeichnung für Solo by AL-KO Gartentechnik Motorsensen 145B ET 112008 Druck 9 145 750 01/2008 [SN: ET 112008 Druck 9 145 750] Seite 1. Wählen Sie das benötigte Ersatzteil aus der Ersatzteilliste Ihres Solo by AL-KO Gerätes aus und bestellen Sie einfach online. Viele Solo by AL-KO Ersatzteile halten wir ständig in unserem Lager für Sie bereit.



