Solo by AL-KO Motorsensen 143L Ersatzteile
143L Motorsensen
Artikel Nummer: 100014301 100014301
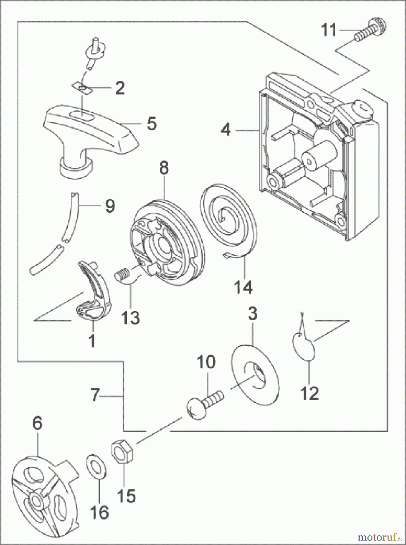
![Solo by AL-KO Gartentechnik Motorsensen 143L S.Nr. ->1440 ; 52007 Druck 9 143 700 05/2007 [SN: S.Nr. ->1440 ; 52007 Druck 9 143 700] - 05/2007 [SN: S.Nr. 1441 ->; 52007 Druck 9 143 701] Seite 9](/bild2cache/zenbit_katbilder_garten_hobby_partnerweb_shop_parts_gif_2007_05_01_100014301S_Nr____1440____52007_Druck_9_143_700_9_gif-1342-1800.jpg)
Hier finden Sie die Ersatzteilzeichnung für Solo by AL-KO Gartentechnik Motorsensen 143L S.Nr. ->1440 ; 52007 Druck 9 143 700 05/2007 [SN: S.Nr. ->1440 ; 52007 Druck 9 143 700] - 05/2007 [SN: S.Nr. 1441 ->; 52007 Druck 9 143 701] Seite 9. Wählen Sie das benötigte Ersatzteil aus der Ersatzteilliste Ihres Solo by AL-KO Gerätes aus und bestellen Sie einfach online. Viele Solo by AL-KO Ersatzteile halten wir ständig in unserem Lager für Sie bereit.



