Solo by AL-KO Motorsensen 143B Ersatzteile
143B Motorsensen
Artikel Nummer: 126076 126076
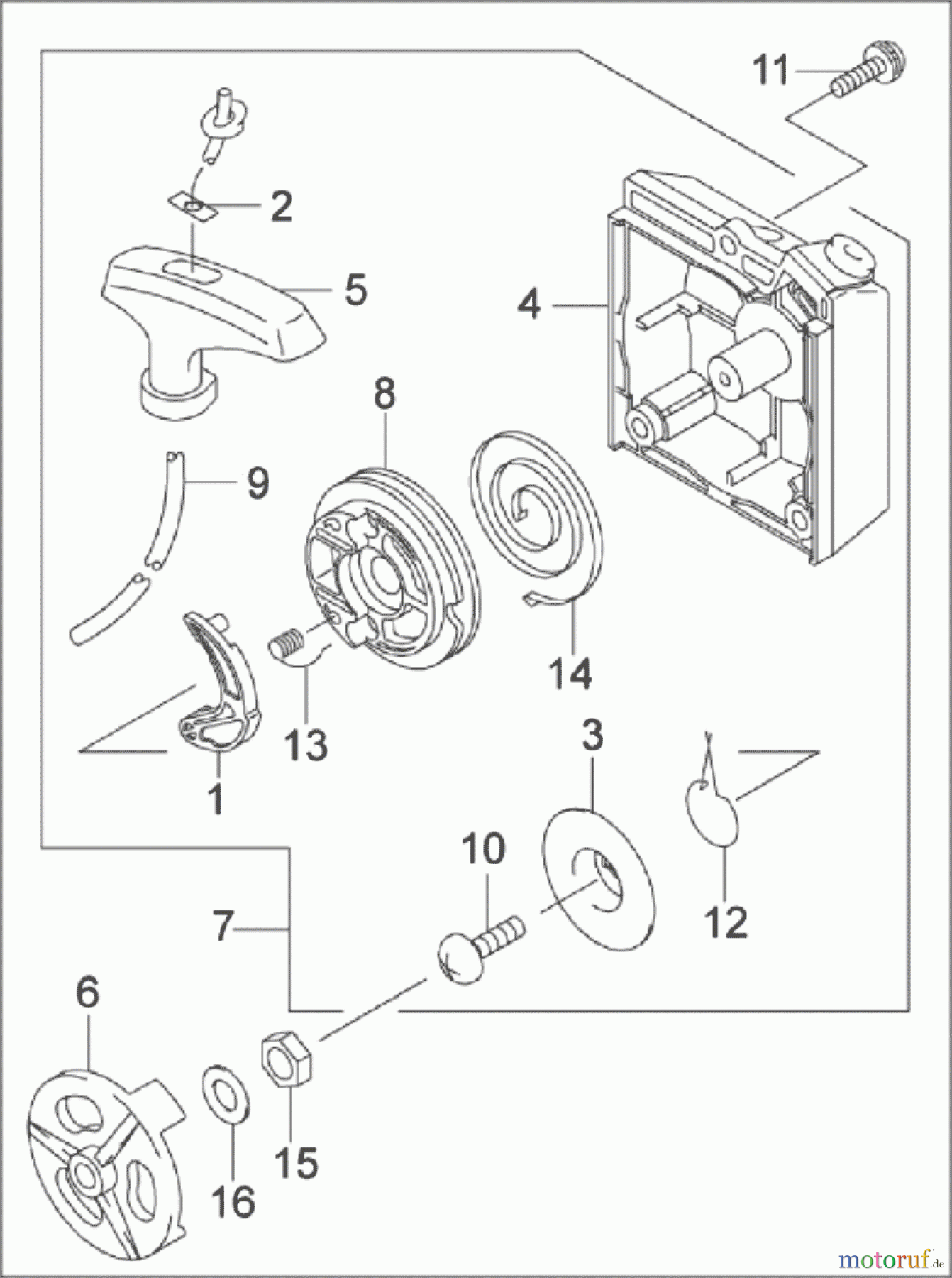
![Solo by AL-KO Gartentechnik Motorsensen 143B S.Nr. ->1100 ; 52007 Druck 9 143 750 05/2007 [SN: S.Nr. ->1100 ; 52007 Druck 9 143 750] - 05/2007 [SN: S.Nr. 1101 ->; 52007 Druck 9 143 751] Seite 9](/bild2cache/zenbit_katbilder_garten_hobby_partnerweb_shop_parts_gif_2007_05_01_126076S_Nr____1100____52007_Druck_9_143_750_9_gif-1342-1800.jpg)
Hier finden Sie die Ersatzteilzeichnung für Solo by AL-KO Gartentechnik Motorsensen 143B S.Nr. ->1100 ; 52007 Druck 9 143 750 05/2007 [SN: S.Nr. ->1100 ; 52007 Druck 9 143 750] - 05/2007 [SN: S.Nr. 1101 ->; 52007 Druck 9 143 751] Seite 9. Wählen Sie das benötigte Ersatzteil aus der Ersatzteilliste Ihres Solo by AL-KO Gerätes aus und bestellen Sie einfach online. Viele Solo by AL-KO Ersatzteile halten wir ständig in unserem Lager für Sie bereit.


