Solo by AL-KO Motorsensen 133L Ersatzteile
133L Motorsensen
Artikel Nummer: 100013303 100013303
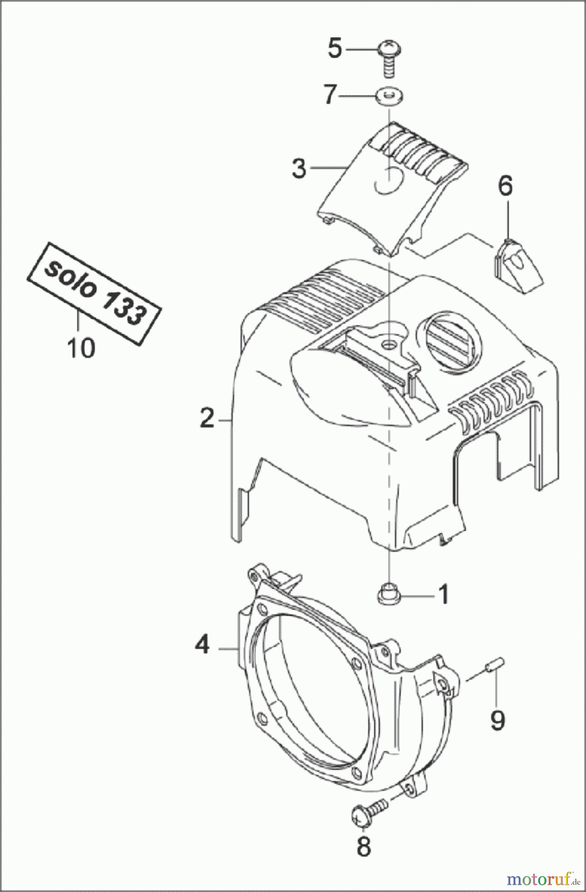
![Solo by AL-KO Gartentechnik Motorsensen 133L S.Nr. ->1692; 52007 Druck 9 133 700 05/2007 [SN: S.Nr. ->1692; 52007 Druck 9 133 700] - 05/2007 [SN: S.Nr. 1693 ->; 52007 Druck 9 133 701] Seite 3](/bild2cache/zenbit_katbilder_garten_hobby_partnerweb_shop_parts_gif_2007_05_01_100013303S_Nr____1692___52007_Druck_9_133_700_3_gif-1182-1800.jpg)
Hier finden Sie die Ersatzteilzeichnung für Solo by AL-KO Gartentechnik Motorsensen 133L S.Nr. ->1692; 52007 Druck 9 133 700 05/2007 [SN: S.Nr. ->1692; 52007 Druck 9 133 700] - 05/2007 [SN: S.Nr. 1693 ->; 52007 Druck 9 133 701] Seite 3. Wählen Sie das benötigte Ersatzteil aus der Ersatzteilliste Ihres Solo by AL-KO Gerätes aus und bestellen Sie einfach online. Viele Solo by AL-KO Ersatzteile halten wir ständig in unserem Lager für Sie bereit.


Qualitätsmanagement
Informieren Sie uns, wenn Sie einen Fehler gefunden haben.

