Solo by AL-KO Motorsensen 133B Ersatzteile
133B Motorsensen
Artikel Nummer: 100013301 100013301
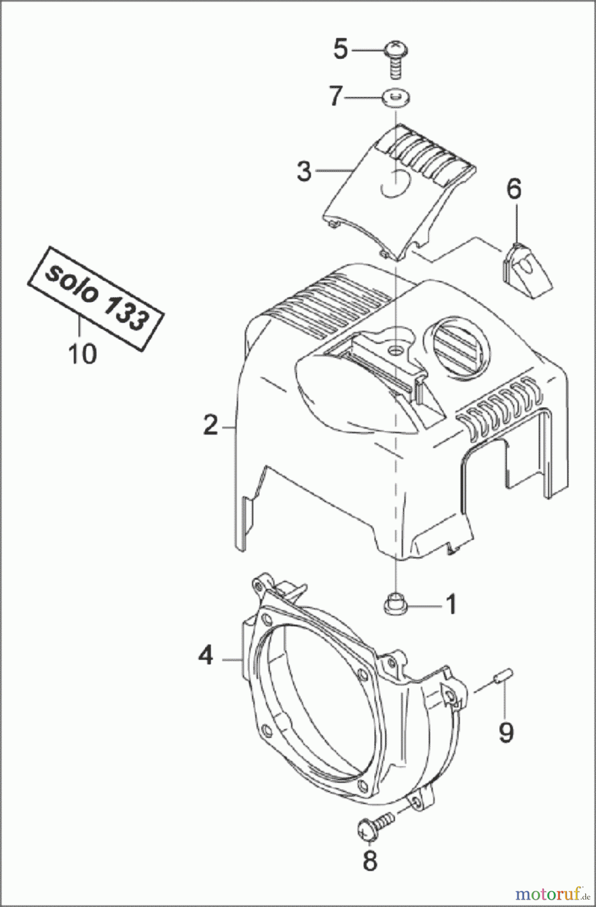
![Solo by AL-KO Gartentechnik Motorsensen 133B S.Nr. ->1720; 52007 Druck 9 133 750 05/2007 [SN: S.Nr. ->1720; 52007 Druck 9 133 750] - 05/2007 [SN: S.Nr. 1721 ->; 52007 Druck 9 133 751] Seite 3](/bild2cache/zenbit_katbilder_garten_hobby_partnerweb_shop_parts_gif_2007_05_01_100013301S_Nr____1720___52007_Druck_9_133_750_3_gif-1182-1800.jpg)
Hier finden Sie die Ersatzteilzeichnung für Solo by AL-KO Gartentechnik Motorsensen 133B S.Nr. ->1720; 52007 Druck 9 133 750 05/2007 [SN: S.Nr. ->1720; 52007 Druck 9 133 750] - 05/2007 [SN: S.Nr. 1721 ->; 52007 Druck 9 133 751] Seite 3. Wählen Sie das benötigte Ersatzteil aus der Ersatzteilliste Ihres Solo by AL-KO Gerätes aus und bestellen Sie einfach online. Viele Solo by AL-KO Ersatzteile halten wir ständig in unserem Lager für Sie bereit.



