Solo by AL-KO Motorsensen 111B Ersatzteile
111B Motorsensen
Artikel Nummer: 126590 126590
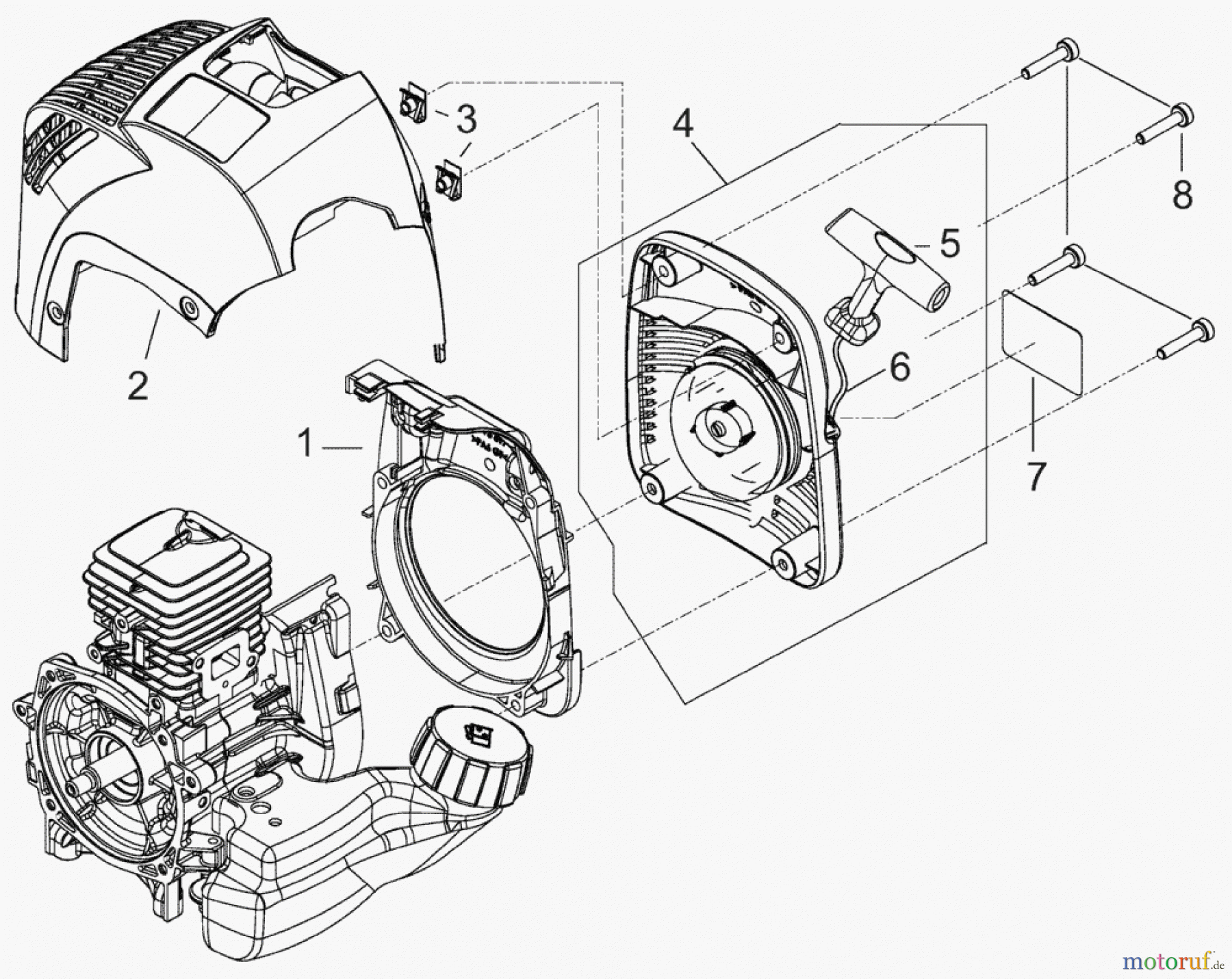
![Solo by AL-KO Gartentechnik Motorsensen 111B S.Nr. 2547->; 052011 Druck 9 111 751 ab 05/2011 [SN: S.Nr. 2547->; 052011 Druck 9 111 751] Seite 4](/bild2cache/zenbit_katbilder_garten_hobby_partnerweb_shop_parts_gif_2011_05_01_126590S_Nr__2547___052011_Druck_9_111_751_4_gif-1800-1431.jpg)
Hier finden Sie die Ersatzteilzeichnung für Solo by AL-KO Gartentechnik Motorsensen 111B S.Nr. 2547->; 052011 Druck 9 111 751 ab 05/2011 [SN: S.Nr. 2547->; 052011 Druck 9 111 751] Seite 4. Wählen Sie das benötigte Ersatzteil aus der Ersatzteilliste Ihres Solo by AL-KO Gerätes aus und bestellen Sie einfach online. Viele Solo by AL-KO Ersatzteile halten wir ständig in unserem Lager für Sie bereit.
| BildNr | Artikel Nummer | Bezeichnung | |
| 1 | ALSL2073697 | LUFTFUEHRUNG 104,107,109,111 | |
| 2 | ALSL2100935 | HAUBE VS. 104,107,109,111 | |
| 3 | ALSL0028157 | BL.MU.M5-BIS 4 MM WANDDICKE | |
| 4 | ALSL2600350 | STARTER VS. EASY 104-111 | |



