Solo by AL-KO Motorsensen 106L/106B Ersatzteile
106L/106B Motorsensen
Artikel Nummer: 100010601 100010601
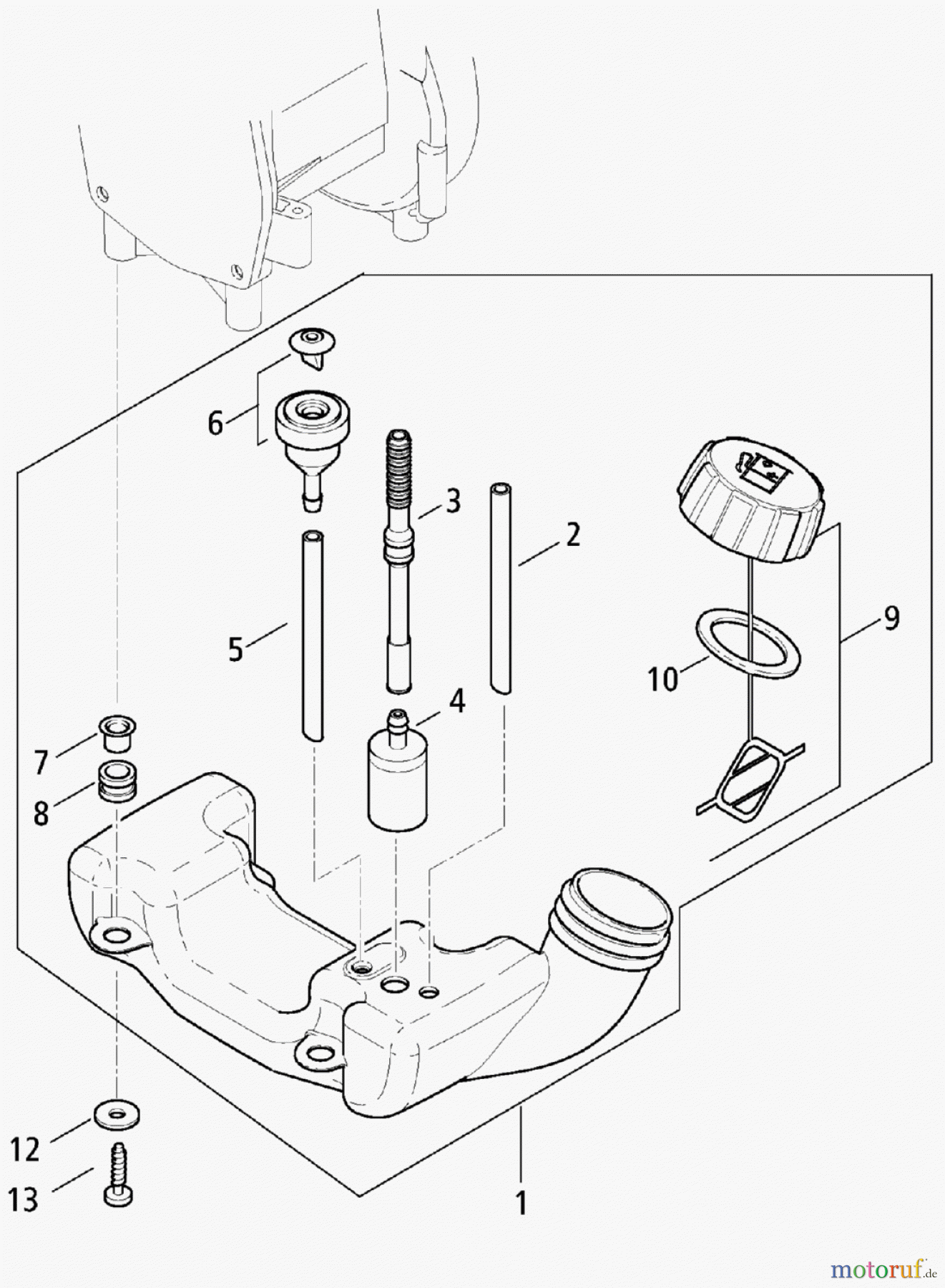
![Solo by AL-KO Gartentechnik Motorsensen 106L/106B 2005 -> ET 072005 Druck 9 105 701 07/2005 [SN: 2005 -> ET 072005 Druck 9 105 701] - 00/2006 [SN: 2002 - 2004, ET 102006 Druck 9 106 701 106L/106B] Seite 9](/bild2cache/zenbit_katbilder_garten_hobby_partnerweb_shop_parts_gif_2005_07_01_1000106012005_____ET_072005_Druck_9_105_701_9_gif-1321-1800.jpg)
Hier finden Sie die Ersatzteilzeichnung für Solo by AL-KO Gartentechnik Motorsensen 106L/106B 2005 -> ET 072005 Druck 9 105 701 07/2005 [SN: 2005 -> ET 072005 Druck 9 105 701] - 00/2006 [SN: 2002 - 2004, ET 102006 Druck 9 106 701 106L/106B] Seite 9. Wählen Sie das benötigte Ersatzteil aus der Ersatzteilliste Ihres Solo by AL-KO Gerätes aus und bestellen Sie einfach online. Viele Solo by AL-KO Ersatzteile halten wir ständig in unserem Lager für Sie bereit.




