Solo by AL-KO Kettensägen 694 Ersatzteile
694 Kettensägen
Artikel Nummer: 126922 126922
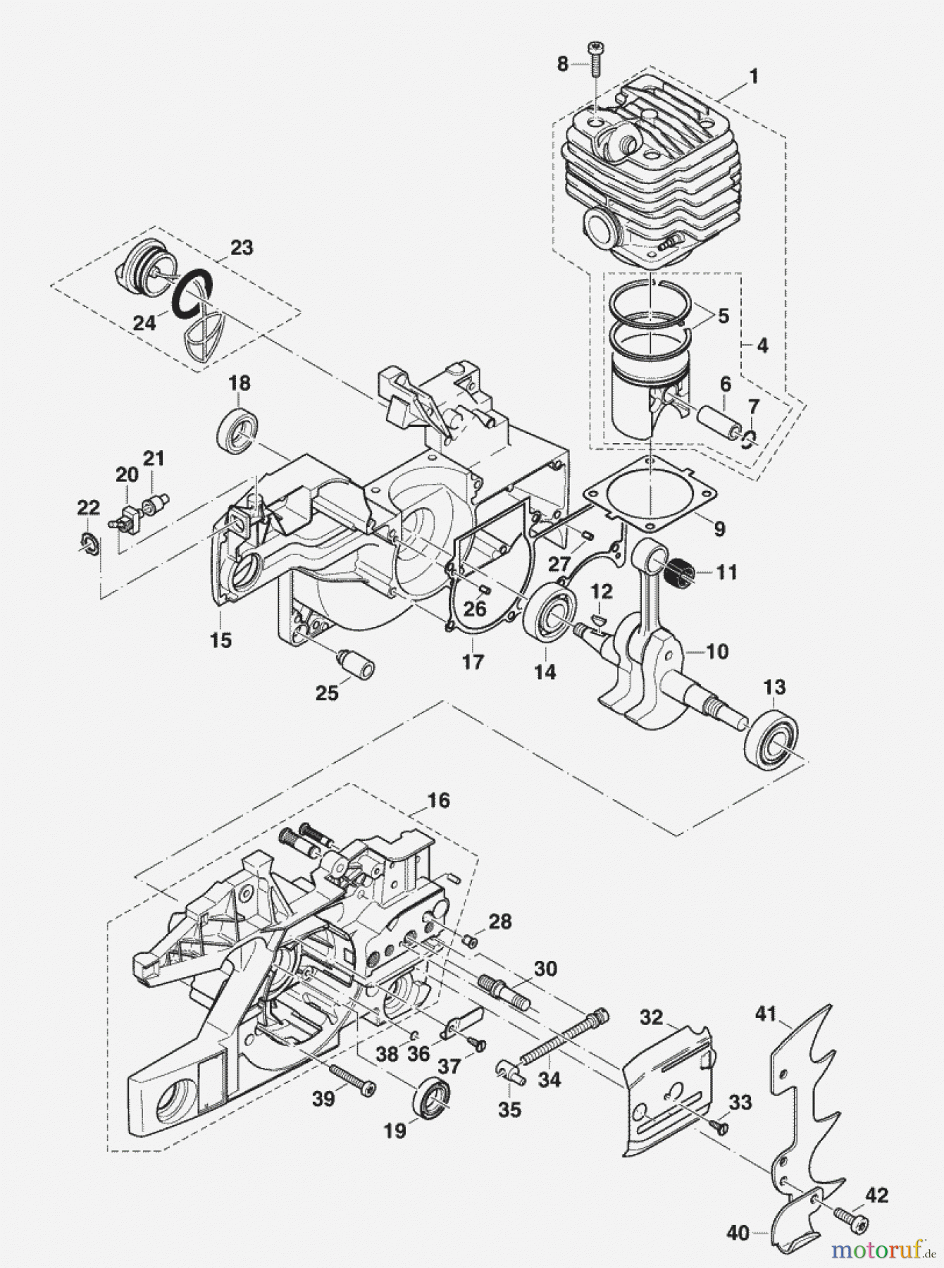
![Solo by AL-KO Gartentechnik Kettensägen 694 ET 032002 Druck 995 700 974 03/2002 [SN: ET 032002 Druck 995 700 974] Seite 1](/bild2cache/zenbit_katbilder_garten_hobby_partnerweb_shop_parts_gif_2002_03_01_126922ET_032002_Druck_995_700_974_1_gif-1340-1800.jpg)
Hier finden Sie die Ersatzteilzeichnung für Solo by AL-KO Gartentechnik Kettensägen 694 ET 032002 Druck 995 700 974 03/2002 [SN: ET 032002 Druck 995 700 974] Seite 1. Wählen Sie das benötigte Ersatzteil aus der Ersatzteilliste Ihres Solo by AL-KO Gerätes aus und bestellen Sie einfach online. Viele Solo by AL-KO Ersatzteile halten wir ständig in unserem Lager für Sie bereit.



