Solo by AL-KO Kettensägen 670 Ersatzteile
670 Kettensägen
Artikel Nummer: 6000170 6000170
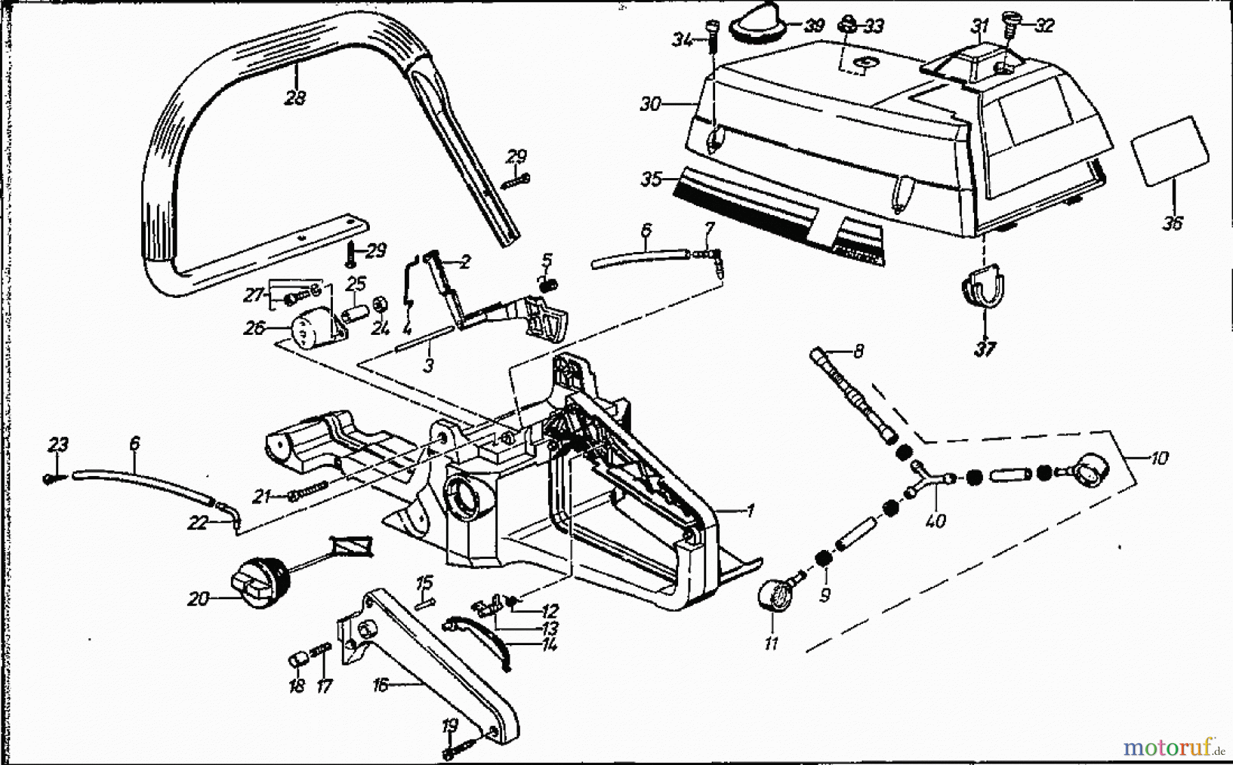
![Solo by AL-KO Gartentechnik Kettensägen 670 ET 121991 Druck 9 670 706 ab 02/1991 [SN: ET 121991 Druck 9 670 706] Seite 2](/bild2cache/zenbit_katbilder_garten_hobby_partnerweb_shop_parts_gif_1991_02_01_6000170ET_121991_Druck_9_670_706_2_gif-1800-1117.jpg)
Hier finden Sie die Ersatzteilzeichnung für Solo by AL-KO Gartentechnik Kettensägen 670 ET 121991 Druck 9 670 706 ab 02/1991 [SN: ET 121991 Druck 9 670 706] Seite 2. Wählen Sie das benötigte Ersatzteil aus der Ersatzteilliste Ihres Solo by AL-KO Gerätes aus und bestellen Sie einfach online. Viele Solo by AL-KO Ersatzteile halten wir ständig in unserem Lager für Sie bereit.







