Solo by AL-KO Kettensägen 662 Ersatzteile
662 Kettensägen
Artikel Nummer: 126913 126913
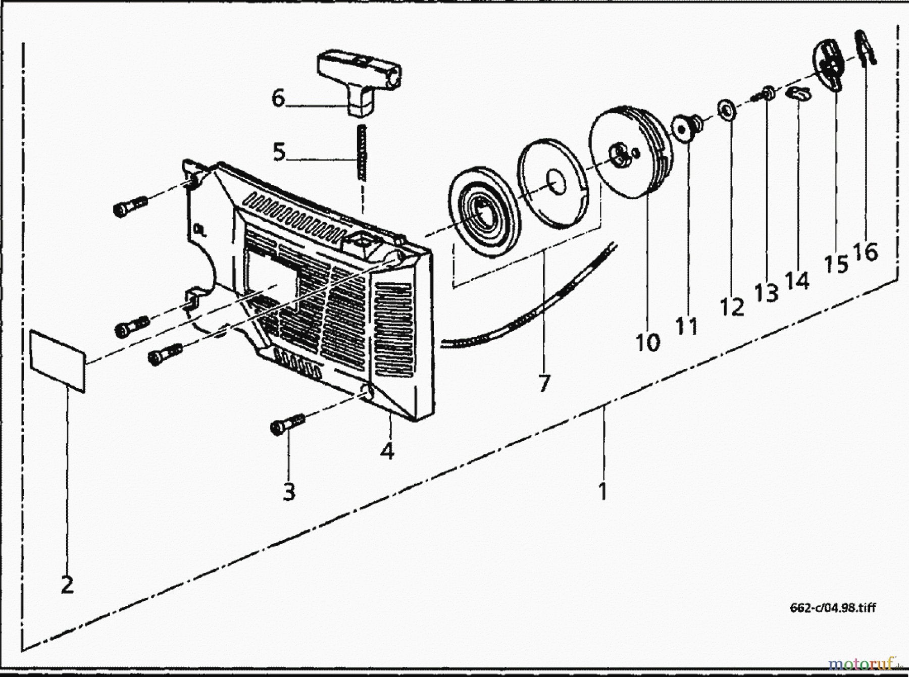
![Solo by AL-KO Gartentechnik Kettensägen 662 ET 061998 Druck 9 662 711 06/1998 [SN: ET 061998 Druck 9 662 711] - 06/1999 [SN: ET 061999 Druck 9 662 712] Seite 3](/bild2cache/zenbit_katbilder_garten_hobby_partnerweb_shop_parts_gif_1998_06_01_126913ET_061998_Druck_9_662_711_3_gif-1800-1341.jpg)
Hier finden Sie die Ersatzteilzeichnung für Solo by AL-KO Gartentechnik Kettensägen 662 ET 061998 Druck 9 662 711 06/1998 [SN: ET 061998 Druck 9 662 711] - 06/1999 [SN: ET 061999 Druck 9 662 712] Seite 3. Wählen Sie das benötigte Ersatzteil aus der Ersatzteilliste Ihres Solo by AL-KO Gerätes aus und bestellen Sie einfach online. Viele Solo by AL-KO Ersatzteile halten wir ständig in unserem Lager für Sie bereit.


Qualitätsmanagement
Informieren Sie uns, wenn Sie einen Fehler gefunden haben.




