Solo by AL-KO Kettensägen 662 Ersatzteile
662 Kettensägen
Artikel Nummer: 126913 126913
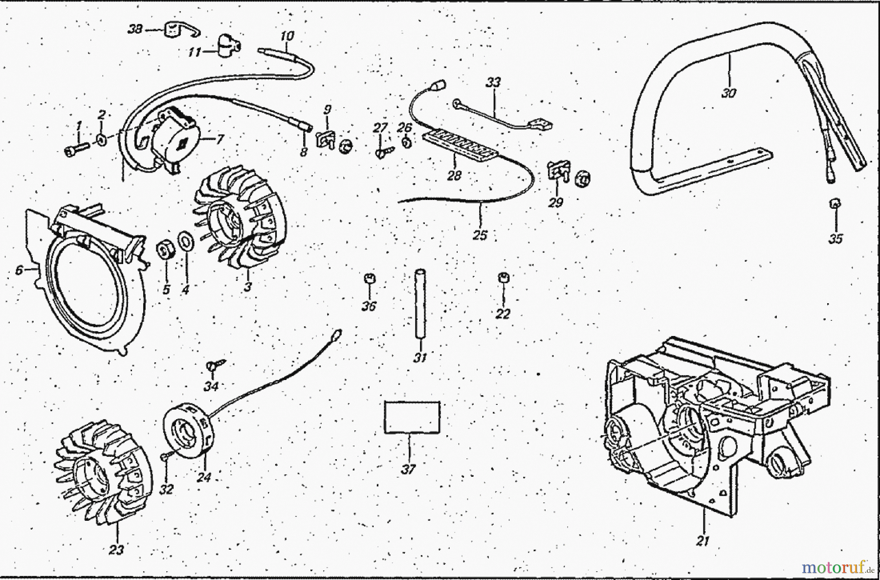
![Solo by AL-KO Gartentechnik Kettensägen 662 ET 111993 Druck 9 662 709 01/1993 [SN: ET 111993 Druck 9 662 709] - 05/1997 [SN: ET 051997 Druck 9 662 710] Seite 3](/bild2cache/zenbit_katbilder_garten_hobby_partnerweb_shop_parts_gif_1993_01_01_126913ET_111993_Druck_9_662_709_3_gif-1800-1186.jpg)
Hier finden Sie die Ersatzteilzeichnung für Solo by AL-KO Gartentechnik Kettensägen 662 ET 111993 Druck 9 662 709 01/1993 [SN: ET 111993 Druck 9 662 709] - 05/1997 [SN: ET 051997 Druck 9 662 710] Seite 3. Wählen Sie das benötigte Ersatzteil aus der Ersatzteilliste Ihres Solo by AL-KO Gerätes aus und bestellen Sie einfach online. Viele Solo by AL-KO Ersatzteile halten wir ständig in unserem Lager für Sie bereit.



