Solo by AL-KO Kettensägen 662 Ersatzteile
662 Kettensägen
Artikel Nummer: 126913 126913
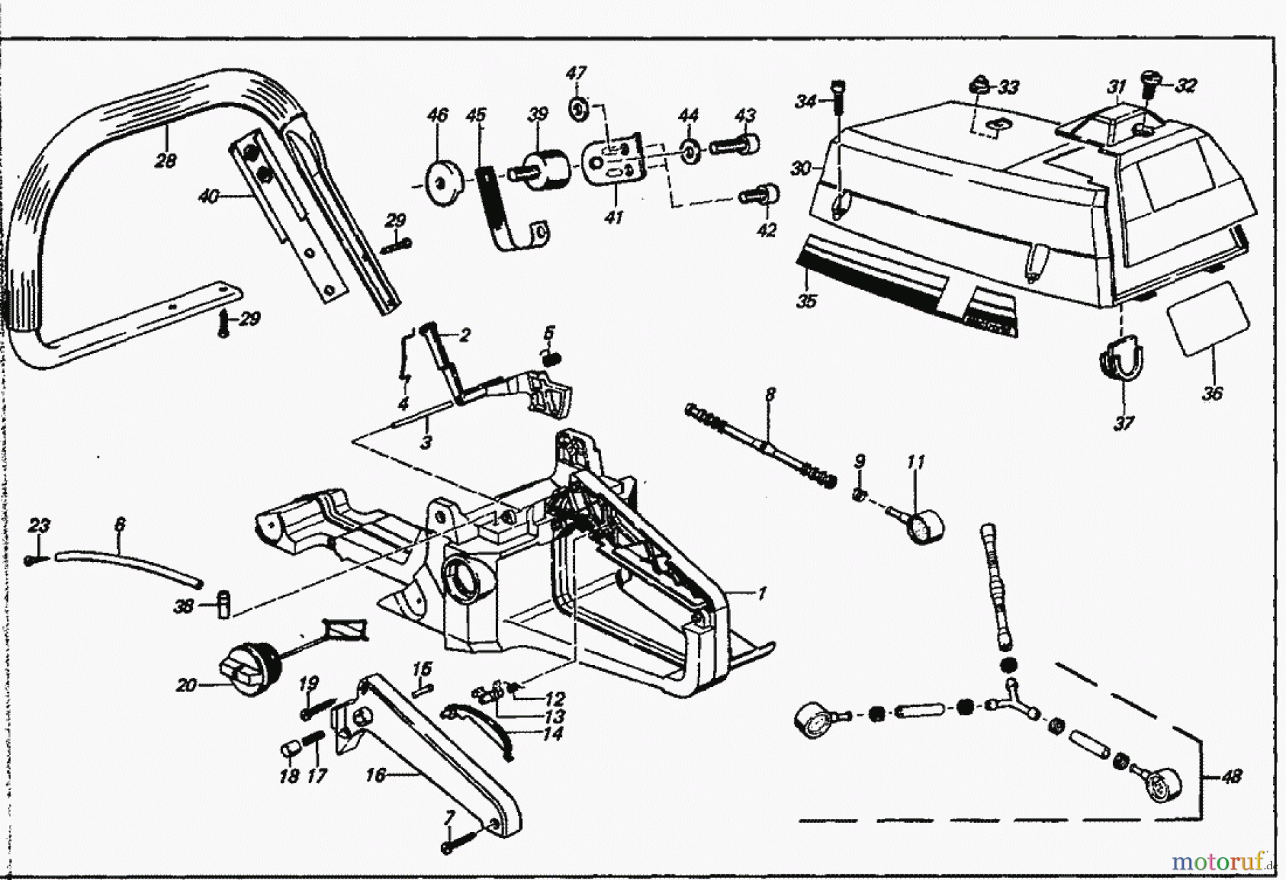
![Solo by AL-KO Gartentechnik Kettensägen 662 ET 111991 Druck 9 662 708 01/1991 [SN: ET 111991 Druck 9 662 708] - 01/1993 [SN: ET 111993 Druck 9 662 709] Seite 2](/bild2cache/zenbit_katbilder_garten_hobby_partnerweb_shop_parts_gif_1991_01_01_126913ET_111991_Druck_9_662_708_2_gif-1800-1232.jpg)
Hier finden Sie die Ersatzteilzeichnung für Solo by AL-KO Gartentechnik Kettensägen 662 ET 111991 Druck 9 662 708 01/1991 [SN: ET 111991 Druck 9 662 708] - 01/1993 [SN: ET 111993 Druck 9 662 709] Seite 2. Wählen Sie das benötigte Ersatzteil aus der Ersatzteilliste Ihres Solo by AL-KO Gerätes aus und bestellen Sie einfach online. Viele Solo by AL-KO Ersatzteile halten wir ständig in unserem Lager für Sie bereit.


Qualitätsmanagement
Informieren Sie uns, wenn Sie einen Fehler gefunden haben.


