Solo by AL-KO Kettensägen 656 Ersatzteile
656 Kettensägen
Artikel Nummer: 126849 126849
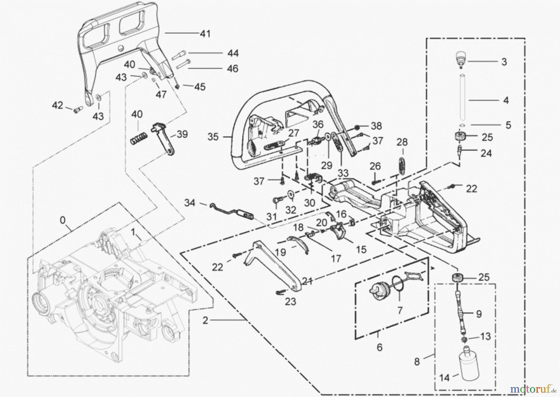
![Solo by AL-KO Gartentechnik Kettensägen 656 ET 032009 Druck 9 656 701 03/2009 [SN: ET 032009 Druck 9 656 701] - 03/2010 [SN: ET 032010 Druck 9 656 702] Seite 6](/bild2cache/zenbit_katbilder_garten_hobby_partnerweb_shop_parts_gif_2009_03_01_126849ET_032009_Druck_9_656_701_6_gif-1800-1274.jpg)
Hier finden Sie die Ersatzteilzeichnung für Solo by AL-KO Gartentechnik Kettensägen 656 ET 032009 Druck 9 656 701 03/2009 [SN: ET 032009 Druck 9 656 701] - 03/2010 [SN: ET 032010 Druck 9 656 702] Seite 6. Wählen Sie das benötigte Ersatzteil aus der Ersatzteilliste Ihres Solo by AL-KO Gerätes aus und bestellen Sie einfach online. Viele Solo by AL-KO Ersatzteile halten wir ständig in unserem Lager für Sie bereit.












