Solo by AL-KO Kettensägen 654 / Farmer 46 Ersatzteile
654 / Farmer 46 Kettensägen
Artikel Nummer: 6000154 6000154
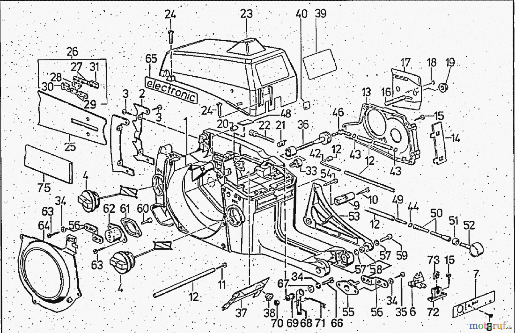
![Solo by AL-KO Gartentechnik Kettensägen 654 / Farmer 46 ET 111989 Druck 9 647 714 01/1989 [SN: ET 111989 Druck 9 647 714] - 01/1991 [SN: ET 111991 Druck 9 647 715] Seite 2](/bild2cache/zenbit_katbilder_garten_hobby_partnerweb_shop_parts_gif_1989_01_01_6000154ET_111989_Druck_9_647_714_2_gif-1800-1165.jpg)
Hier finden Sie die Ersatzteilzeichnung für Solo by AL-KO Gartentechnik Kettensägen 654 / Farmer 46 ET 111989 Druck 9 647 714 01/1989 [SN: ET 111989 Druck 9 647 714] - 01/1991 [SN: ET 111991 Druck 9 647 715] Seite 2. Wählen Sie das benötigte Ersatzteil aus der Ersatzteilliste Ihres Solo by AL-KO Gerätes aus und bestellen Sie einfach online. Viele Solo by AL-KO Ersatzteile halten wir ständig in unserem Lager für Sie bereit.


Qualitätsmanagement
Informieren Sie uns, wenn Sie einen Fehler gefunden haben.



