Solo by AL-KO Kettensägen 644 Ersatzteile
644 Kettensägen
Artikel Nummer: 126906 126906
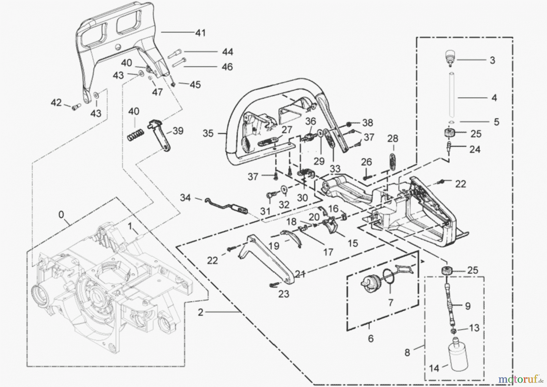
![Solo by AL-KO Gartentechnik Kettensägen 644 S.Nr. 3292->; 092009 Druck 9 644 712 ab 09/2009 [SN: S.Nr. 3292->; 092009 Druck 9 644 712] Seite 6](/bild2cache/zenbit_katbilder_garten_hobby_partnerweb_shop_parts_gif_2009_09_01_126906S_Nr__3292___092009_Druck_9_644_712_6_gif-1800-1274.jpg)
Hier finden Sie die Ersatzteilzeichnung für Solo by AL-KO Gartentechnik Kettensägen 644 S.Nr. 3292->; 092009 Druck 9 644 712 ab 09/2009 [SN: S.Nr. 3292->; 092009 Druck 9 644 712] Seite 6. Wählen Sie das benötigte Ersatzteil aus der Ersatzteilliste Ihres Solo by AL-KO Gerätes aus und bestellen Sie einfach online. Viele Solo by AL-KO Ersatzteile halten wir ständig in unserem Lager für Sie bereit.


Qualitätsmanagement
Informieren Sie uns, wenn Sie einen Fehler gefunden haben.










