Solo by AL-KO Kettensägen 644 Ersatzteile
644 Kettensägen
Artikel Nummer: 126906 126906
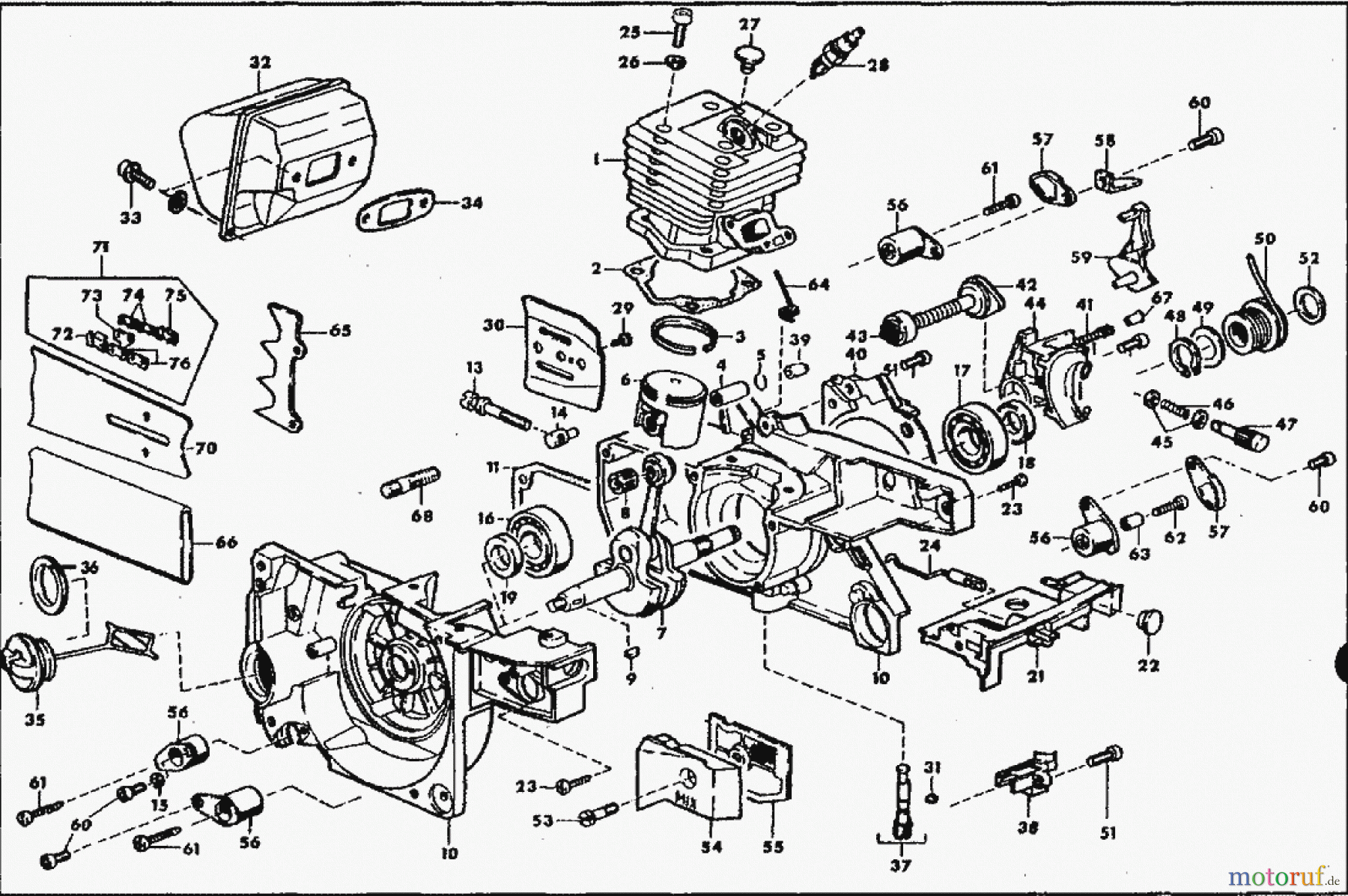
![Solo by AL-KO Gartentechnik Kettensägen 644 ET 091993 Druck 9 644 704 09/1993 [SN: ET 091993 Druck 9 644 704] - 04/1996 [SN: ET 041996 Druck 9 644 705] Seite 1](/bild2cache/zenbit_katbilder_garten_hobby_partnerweb_shop_parts_gif_1993_09_01_126906ET_091993_Druck_9_644_704_1_gif-1800-1197.jpg)
Hier finden Sie die Ersatzteilzeichnung für Solo by AL-KO Gartentechnik Kettensägen 644 ET 091993 Druck 9 644 704 09/1993 [SN: ET 091993 Druck 9 644 704] - 04/1996 [SN: ET 041996 Druck 9 644 705] Seite 1. Wählen Sie das benötigte Ersatzteil aus der Ersatzteilliste Ihres Solo by AL-KO Gerätes aus und bestellen Sie einfach online. Viele Solo by AL-KO Ersatzteile halten wir ständig in unserem Lager für Sie bereit.


Qualitätsmanagement
Informieren Sie uns, wenn Sie einen Fehler gefunden haben.






