Solo by AL-KO Kettensägen 644 Ersatzteile
644 Kettensägen
Artikel Nummer: 126906 126906
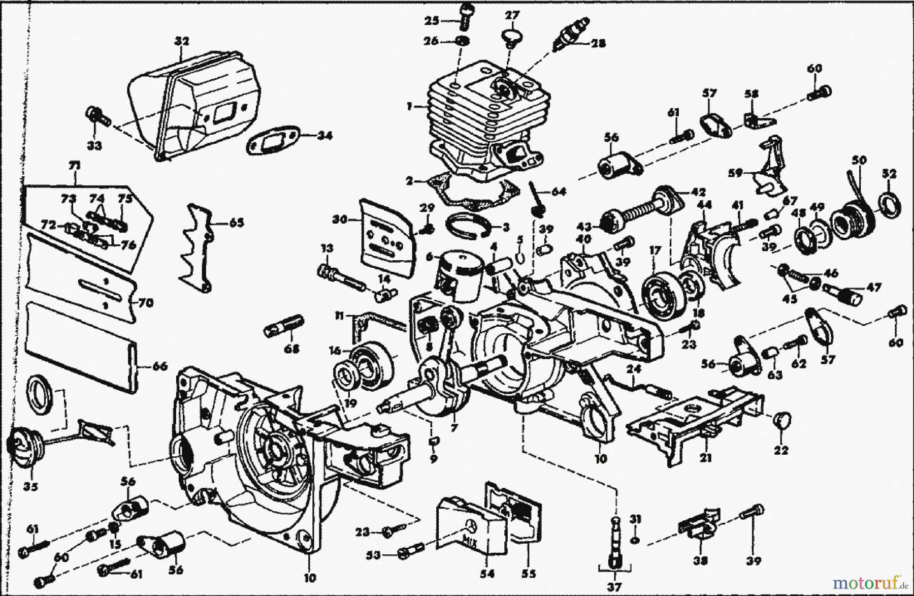
![Solo by AL-KO Gartentechnik Kettensägen 644 ET 101991 Druck 9 644 703 00/1991 [SN: ET 101991 Druck 9 644 703] - 00/1991 [SN: ET 101991 Druck 9 644 706] Seite 1](/bild2cache/zenbit_katbilder_garten_hobby_partnerweb_shop_parts_gif_1991_0_01_126906ET_101991_Druck_9_644_703_1_gif-1800-1173.jpg)
Hier finden Sie die Ersatzteilzeichnung für Solo by AL-KO Gartentechnik Kettensägen 644 ET 101991 Druck 9 644 703 00/1991 [SN: ET 101991 Druck 9 644 703] - 00/1991 [SN: ET 101991 Druck 9 644 706] Seite 1. Wählen Sie das benötigte Ersatzteil aus der Ersatzteilliste Ihres Solo by AL-KO Gerätes aus und bestellen Sie einfach online. Viele Solo by AL-KO Ersatzteile halten wir ständig in unserem Lager für Sie bereit.


Qualitätsmanagement
Informieren Sie uns, wenn Sie einen Fehler gefunden haben.





