Solo by AL-KO Kettensägen 635 / 635 ECO Ersatzteile
635 / 635 ECO Kettensägen
Artikel Nummer: 126443 126443
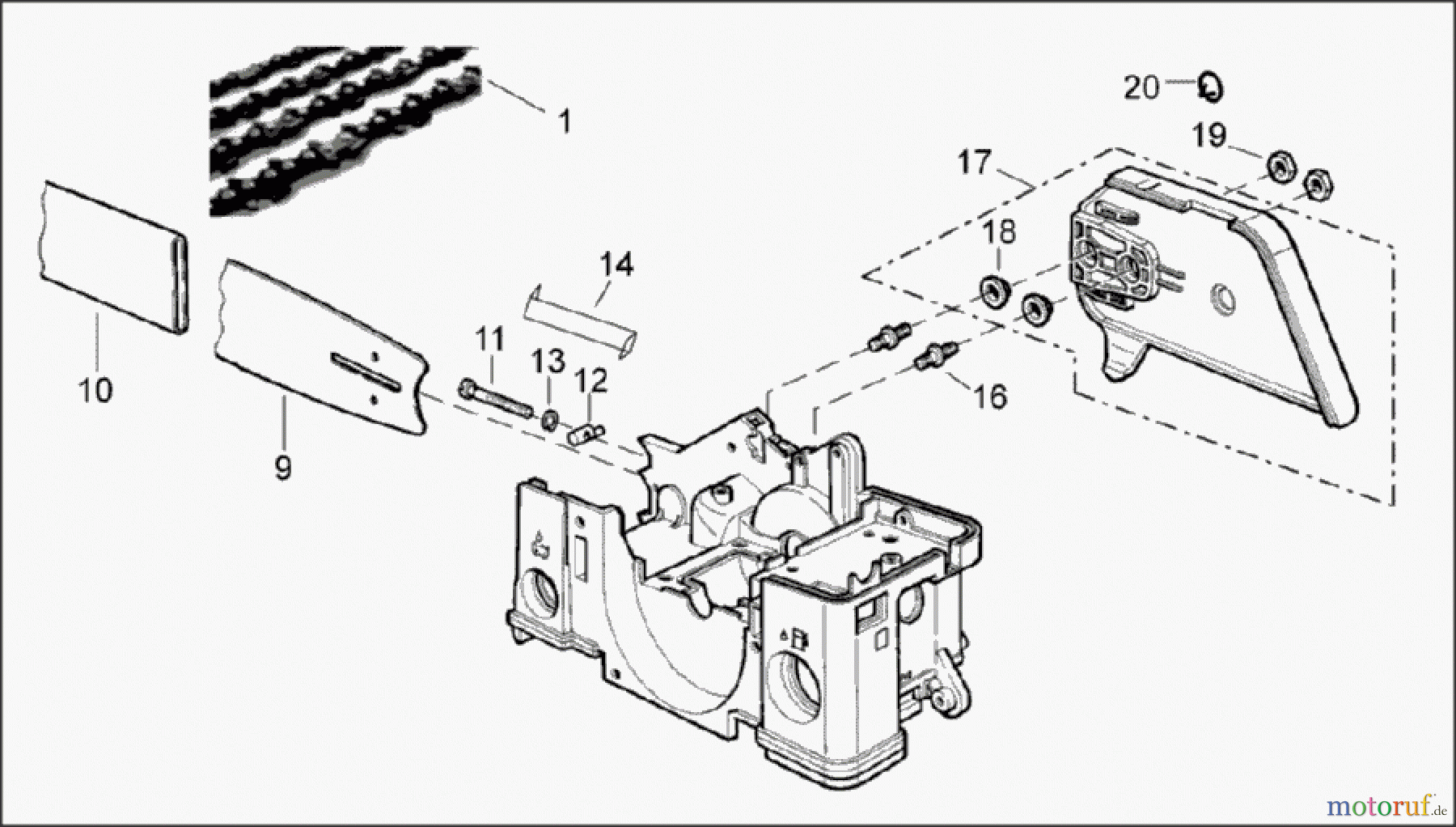
![Solo by AL-KO Gartentechnik Kettensägen 635 / 635 ECO ET 122007 Druck 9 635 701 ab 02/2007 [SN: ET 122007 Druck 9 635 701] Seite 8](/bild2cache/zenbit_katbilder_garten_hobby_partnerweb_shop_parts_gif_2007_02_01_126443ET_122007_Druck_9_635_701_8_gif-1800-1022.jpg)
Hier finden Sie die Ersatzteilzeichnung für Solo by AL-KO Gartentechnik Kettensägen 635 / 635 ECO ET 122007 Druck 9 635 701 ab 02/2007 [SN: ET 122007 Druck 9 635 701] Seite 8. Wählen Sie das benötigte Ersatzteil aus der Ersatzteilliste Ihres Solo by AL-KO Gerätes aus und bestellen Sie einfach online. Viele Solo by AL-KO Ersatzteile halten wir ständig in unserem Lager für Sie bereit.




