Solo by AL-KO Kettensägen 633 Ersatzteile
633 Kettensägen
Artikel Nummer: 126039 126039
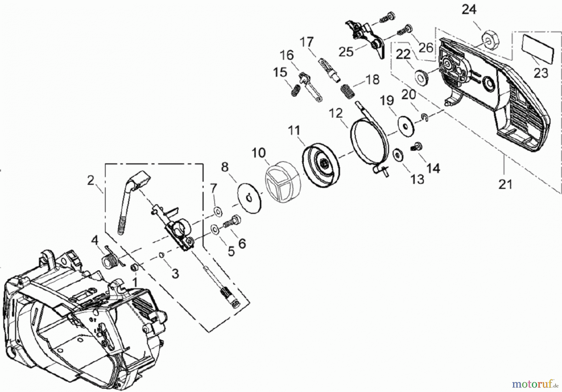
![Solo by AL-KO Gartentechnik Kettensägen 633 S.Nr. 20903; 22006 Druck 9 633 702 ab 02/2006 [SN: S.Nr. 20903; 22006 Druck 9 633 702] Seite 4](/bild2cache/zenbit_katbilder_garten_hobby_partnerweb_shop_parts_gif_2006_02_01_126039S_Nr__20903___22006_Druck_9_633_702_4_gif-1800-1258.jpg)
Hier finden Sie die Ersatzteilzeichnung für Solo by AL-KO Gartentechnik Kettensägen 633 S.Nr. 20903; 22006 Druck 9 633 702 ab 02/2006 [SN: S.Nr. 20903; 22006 Druck 9 633 702] Seite 4. Wählen Sie das benötigte Ersatzteil aus der Ersatzteilliste Ihres Solo by AL-KO Gerätes aus und bestellen Sie einfach online. Viele Solo by AL-KO Ersatzteile halten wir ständig in unserem Lager für Sie bereit.







