Solo by AL-KO Kettensägen 633 Ersatzteile
633 Kettensägen
Artikel Nummer: 126039 126039
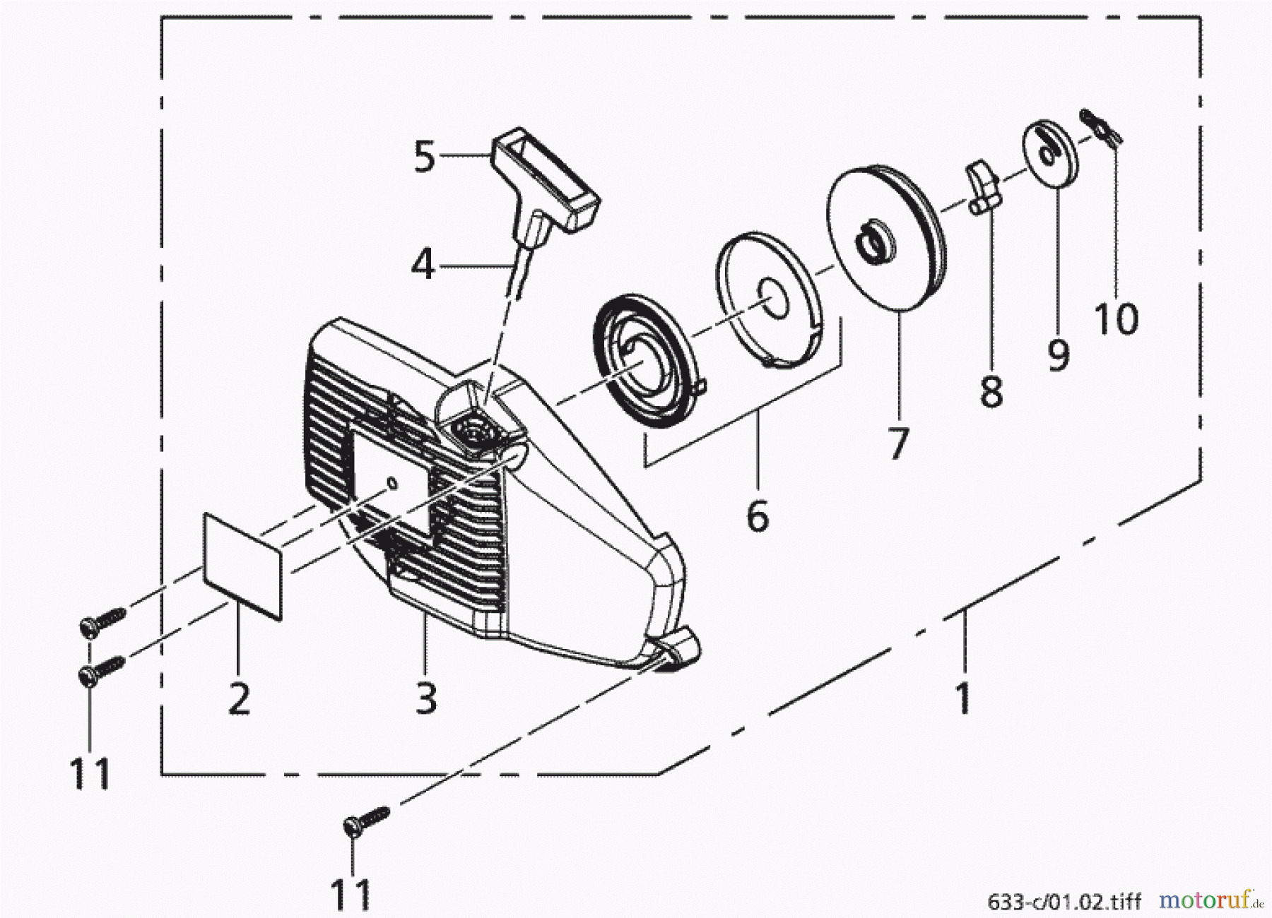
![Solo by AL-KO Gartentechnik Kettensägen 633 ET 052002 Druck 9 633 701 05/2002 [SN: ET 052002 Druck 9 633 701] - 02/2006 [SN: S.Nr. 20903; 22006 Druck 9 633 702] Seite 3](/bild2cache/zenbit_katbilder_garten_hobby_partnerweb_shop_parts_gif_2002_05_01_126039ET_052002_Druck_9_633_701_3_gif-1800-1300.jpg)
Hier finden Sie die Ersatzteilzeichnung für Solo by AL-KO Gartentechnik Kettensägen 633 ET 052002 Druck 9 633 701 05/2002 [SN: ET 052002 Druck 9 633 701] - 02/2006 [SN: S.Nr. 20903; 22006 Druck 9 633 702] Seite 3. Wählen Sie das benötigte Ersatzteil aus der Ersatzteilliste Ihres Solo by AL-KO Gerätes aus und bestellen Sie einfach online. Viele Solo by AL-KO Ersatzteile halten wir ständig in unserem Lager für Sie bereit.





