Solo by AL-KO Kettensägen 603 Ersatzteile
603 Kettensägen
Artikel Nummer: 6000103 6000103
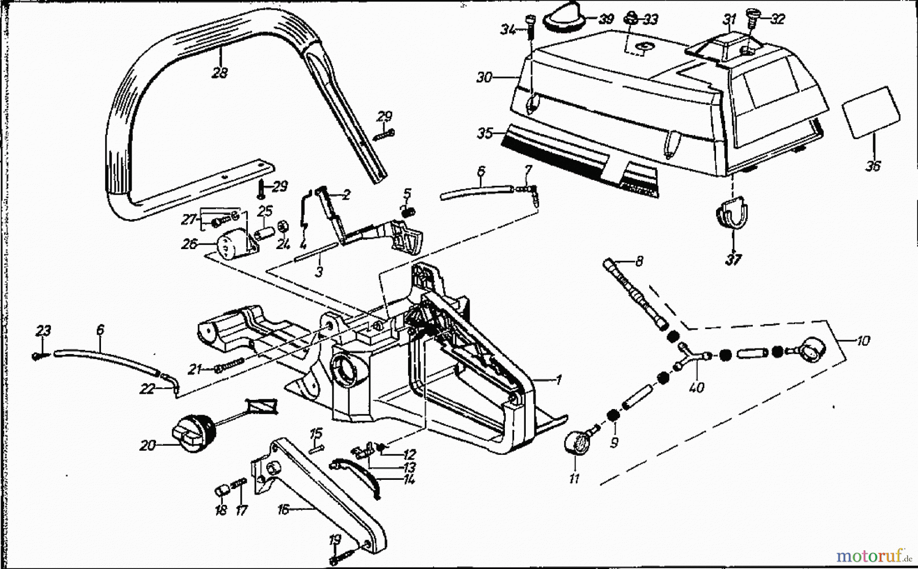
![Solo by AL-KO Gartentechnik Kettensägen 603 ET 121991 Druck 9 670 706 ab 02/1991 [SN: ET 121991 Druck 9 670 706] Seite 2](/bild2cache/zenbit_katbilder_garten_hobby_partnerweb_shop_parts_gif_1991_02_01_6000103ET_121991_Druck_9_670_706_2_gif-1800-1117.jpg)
Hier finden Sie die Ersatzteilzeichnung für Solo by AL-KO Gartentechnik Kettensägen 603 ET 121991 Druck 9 670 706 ab 02/1991 [SN: ET 121991 Druck 9 670 706] Seite 2. Wählen Sie das benötigte Ersatzteil aus der Ersatzteilliste Ihres Solo by AL-KO Gerätes aus und bestellen Sie einfach online. Viele Solo by AL-KO Ersatzteile halten wir ständig in unserem Lager für Sie bereit.


Qualitätsmanagement
Informieren Sie uns, wenn Sie einen Fehler gefunden haben.





