Solo by AL-KO Kettensägen 603 Ersatzteile
603 Kettensägen
Artikel Nummer: 6000103 6000103
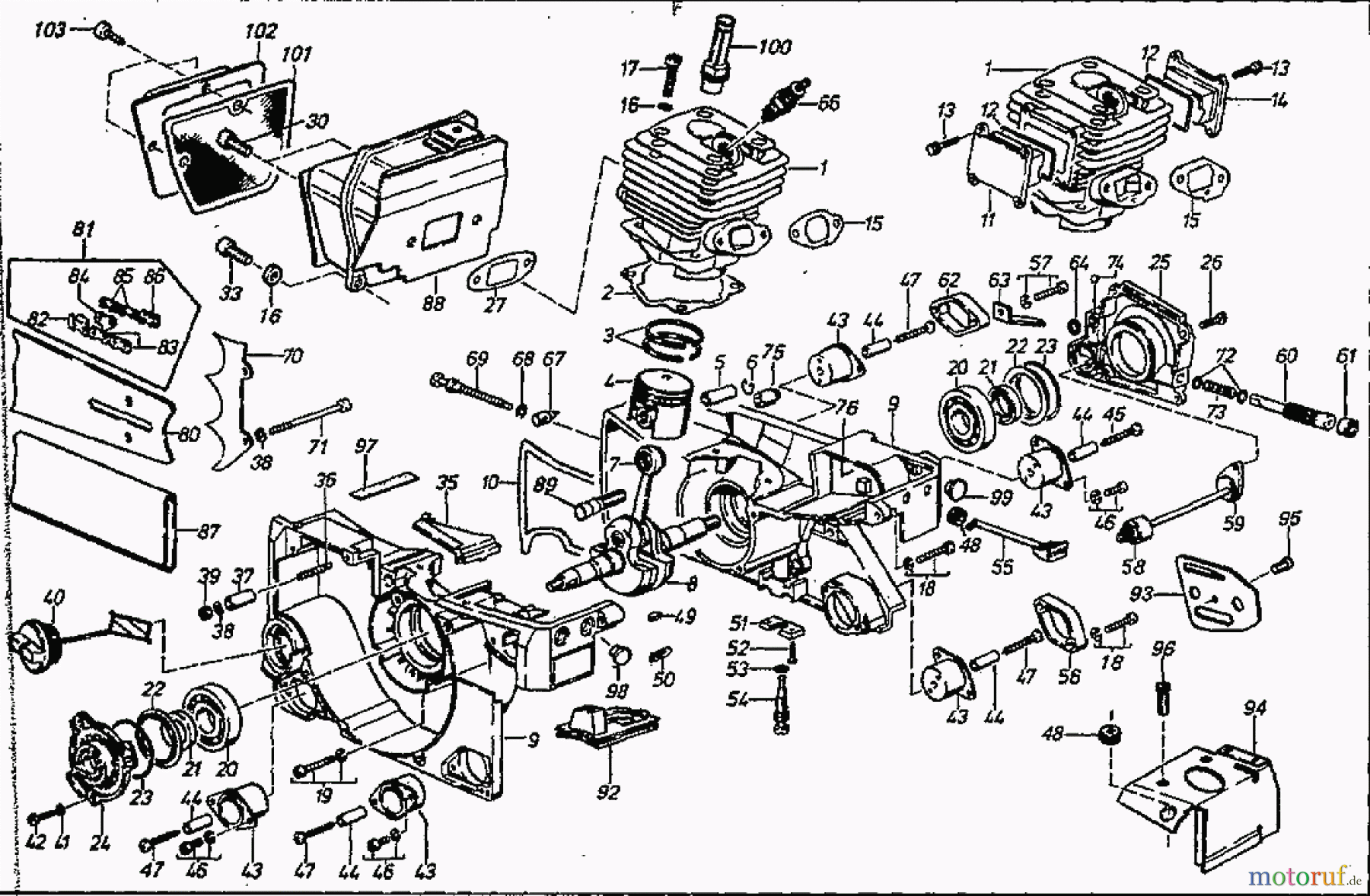
![Solo by AL-KO Gartentechnik Kettensägen 603 ET 111989 Druck 9 670 705 01/1989 [SN: ET 111989 Druck 9 670 705] - 02/1991 [SN: ET 121991 Druck 9 670 706] Seite 1](/bild2cache/zenbit_katbilder_garten_hobby_partnerweb_shop_parts_gif_1989_01_01_6000103ET_111989_Druck_9_670_705_1_gif-1800-1178.jpg)
Hier finden Sie die Ersatzteilzeichnung für Solo by AL-KO Gartentechnik Kettensägen 603 ET 111989 Druck 9 670 705 01/1989 [SN: ET 111989 Druck 9 670 705] - 02/1991 [SN: ET 121991 Druck 9 670 706] Seite 1. Wählen Sie das benötigte Ersatzteil aus der Ersatzteilliste Ihres Solo by AL-KO Gerätes aus und bestellen Sie einfach online. Viele Solo by AL-KO Ersatzteile halten wir ständig in unserem Lager für Sie bereit.




