Solo by AL-KO Heckenschere 160 Ersatzteile
160 Heckenschere
Artikel Nummer: 126084 126084
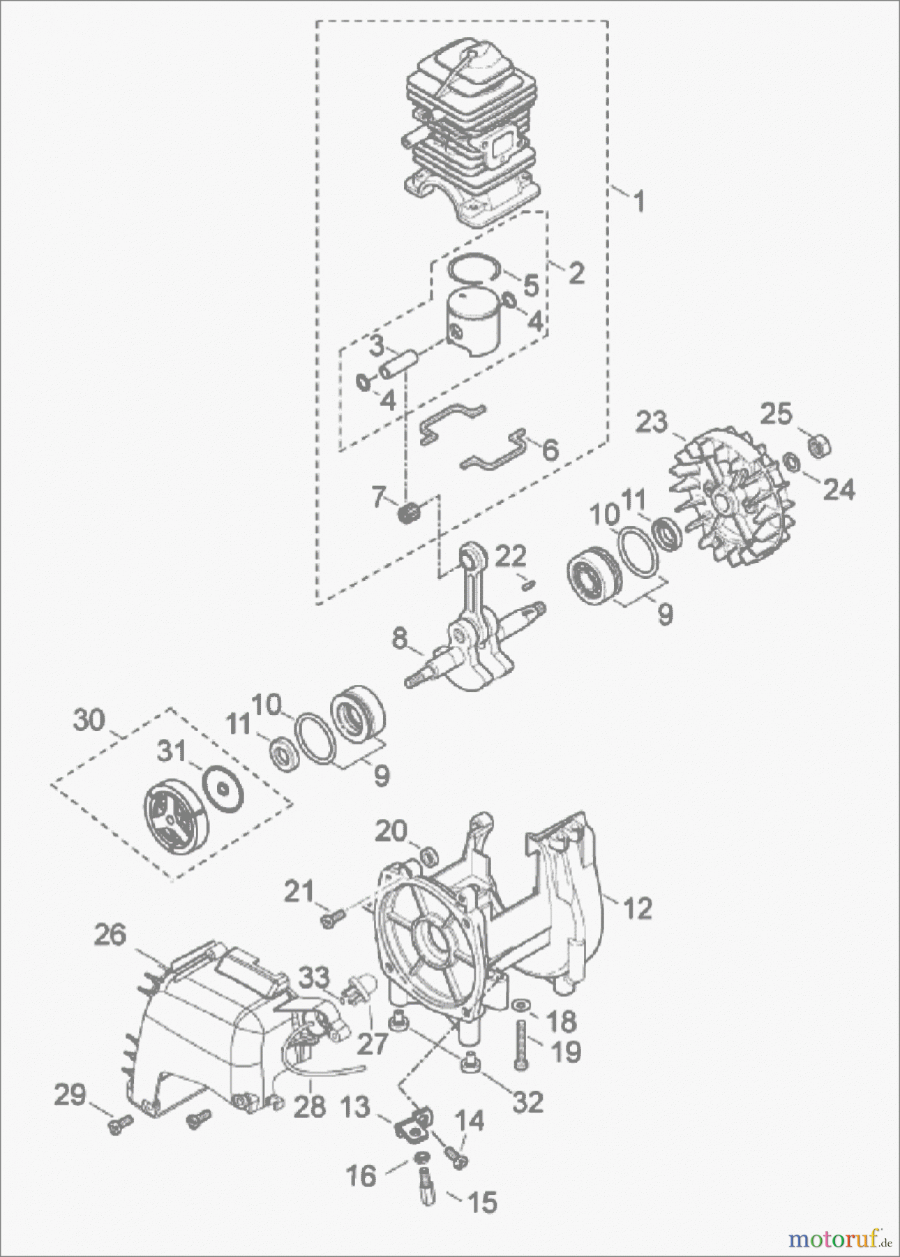
![Solo by AL-KO Gartentechnik Heckenschere 160 S.Nr. 1451; 022007 Druck 9 160 702 ab 02/2007 [SN: S.Nr. 1451; 022007 Druck 9 160 702] Seite 1](/bild2cache/zenbit_katbilder_garten_hobby_partnerweb_shop_parts_gif_2007_02_01_126084S_Nr__1451___022007_Druck_9_160_702_1_gif-1290-1800.jpg)
Hier finden Sie die Ersatzteilzeichnung für Solo by AL-KO Gartentechnik Heckenschere 160 S.Nr. 1451; 022007 Druck 9 160 702 ab 02/2007 [SN: S.Nr. 1451; 022007 Druck 9 160 702] Seite 1. Wählen Sie das benötigte Ersatzteil aus der Ersatzteilliste Ihres Solo by AL-KO Gerätes aus und bestellen Sie einfach online. Viele Solo by AL-KO Ersatzteile halten wir ständig in unserem Lager für Sie bereit.






