Solo by AL-KO Elektrorasenmäher Primo 584 Ersatzteile
Primo 584 Elektrorasenmäher
Artikel Nummer: 5000184 5000184
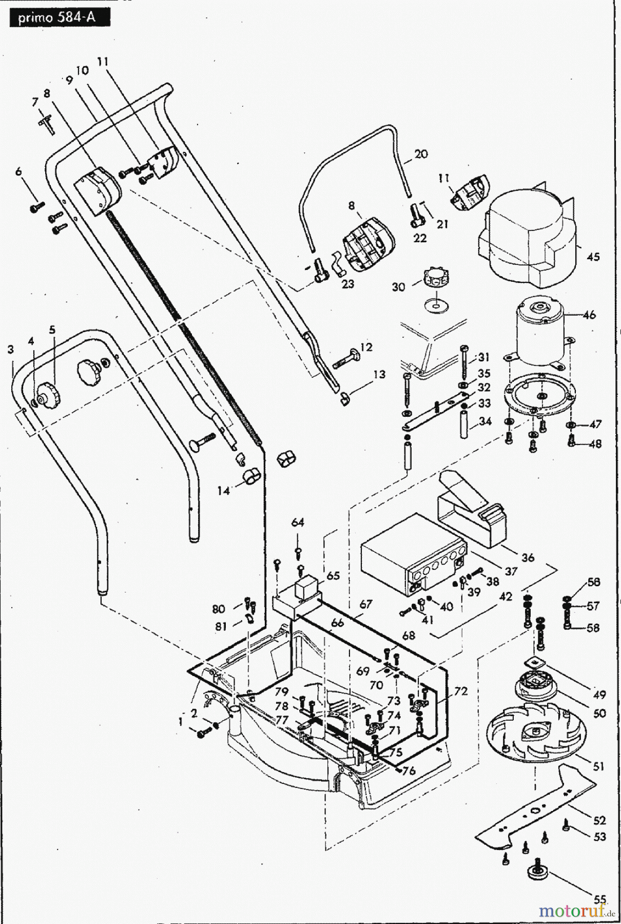
![Solo by AL-KO Gartentechnik Elektrorasenmäher Primo 584 ET 051997 Druck 9 584 708 05/1997 [SN: ET 051997 Druck 9 584 708] - 02/1998 [SN: ET 021998 Druck 9 584 709] Seite 3](/bild2cache/zenbit_katbilder_garten_hobby_partnerweb_shop_parts_gif_1997_05_01_5000184ET_051997__Druck_9_584_708_3_gif-1210-1800.jpg)
Hier finden Sie die Ersatzteilzeichnung für Solo by AL-KO Gartentechnik Elektrorasenmäher Primo 584 ET 051997 Druck 9 584 708 05/1997 [SN: ET 051997 Druck 9 584 708] - 02/1998 [SN: ET 021998 Druck 9 584 709] Seite 3. Wählen Sie das benötigte Ersatzteil aus der Ersatzteilliste Ihres Solo by AL-KO Gerätes aus und bestellen Sie einfach online. Viele Solo by AL-KO Ersatzteile halten wir ständig in unserem Lager für Sie bereit.


Qualitätsmanagement
Informieren Sie uns, wenn Sie einen Fehler gefunden haben.


