Powerline Rasentraktor T12-74 EDITION Ersatzteile
T12-74 EDITION Rasentraktor
Artikel Nummer: 119470 119470

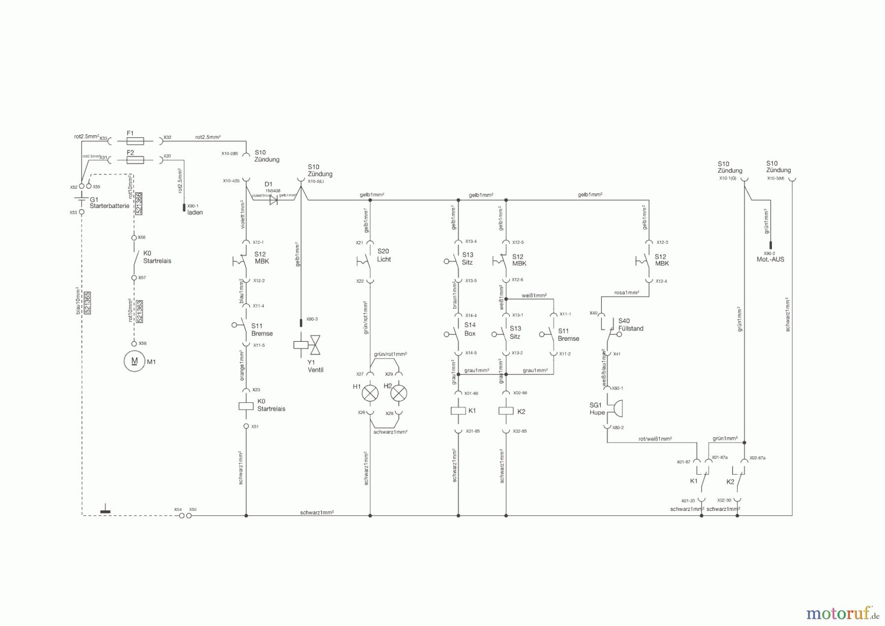
Hier finden Sie die Ersatzteilzeichnung für Powerline Gartentechnik Rasentraktor T12-74 EDITION 10/2013 - 12/2014 Seite 9. Wählen Sie das benötigte Ersatzteil aus der Ersatzteilliste Ihres Powerline Gerätes aus und bestellen Sie einfach online. Viele Powerline Ersatzteile halten wir ständig in unserem Lager für Sie bereit.
| BildNr | Artikel Nummer | Bezeichnung | |
| AL521363 | KABEL ROT STARTER/RELAIS | ||
| AL521365 | KABEL BLAU MASSELEITER | ||
| AL521366 | KABEL ROT BATTERIE/RELAIS | ||


Qualitätsmanagement
Informieren Sie uns, wenn Sie einen Fehler gefunden haben.

