Powerline Rasentraktor T 14-102 HDE Edition Ersatzteile
T 14-102 HDE Edition Rasentraktor
Artikel Nummer: 119269 119269

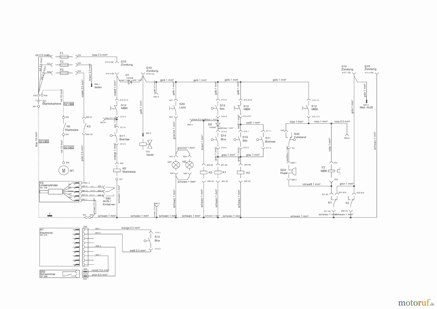
Hier finden Sie die Ersatzteilzeichnung für Powerline Gartentechnik Rasentraktor T 14-102 HDE Edition 01/2010 Seite 11. Wählen Sie das benötigte Ersatzteil aus der Ersatzteilliste Ihres Powerline Gerätes aus und bestellen Sie einfach online. Viele Powerline Ersatzteile halten wir ständig in unserem Lager für Sie bereit.
| BildNr | Artikel Nummer | Bezeichnung | |
| AL521363 | KABEL ROT STARTER/RELAIS | ||
| AL521365 | KABEL BLAU MASSELEITER | ||
| AL521366 | KABEL ROT BATTERIE/RELAIS | ||



