Orion Benzinrasenmäher 46 BR Ersatzteile
46 BR Benzinrasenmäher
Artikel Nummer: 120910 120835

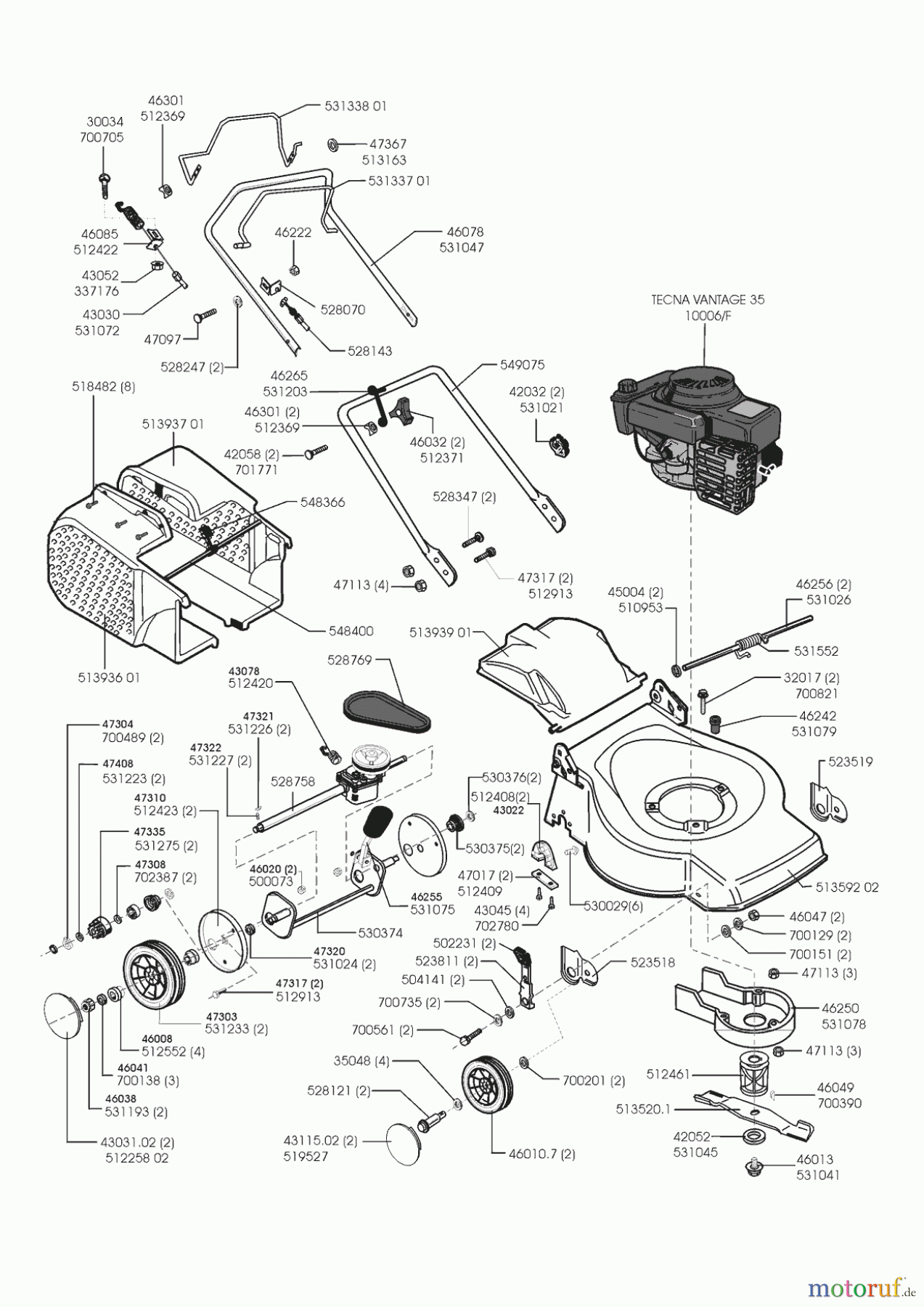
Hier finden Sie die Ersatzteilzeichnung für Orion Gartentechnik Benzinrasenmäher 46 BR 09/1999 - 01/2000 Seite 1. Wählen Sie das benötigte Ersatzteil aus der Ersatzteilliste Ihres Orion Gerätes aus und bestellen Sie einfach online. Viele Orion Ersatzteile halten wir ständig in unserem Lager für Sie bereit.


Qualitätsmanagement
Informieren Sie uns, wenn Sie einen Fehler gefunden haben.






















