Brill Rasentraktor Crossover T 95/13 H Ersatzteile
Crossover T 95/13 H Rasentraktor
Artikel Nummer: 119589 119589

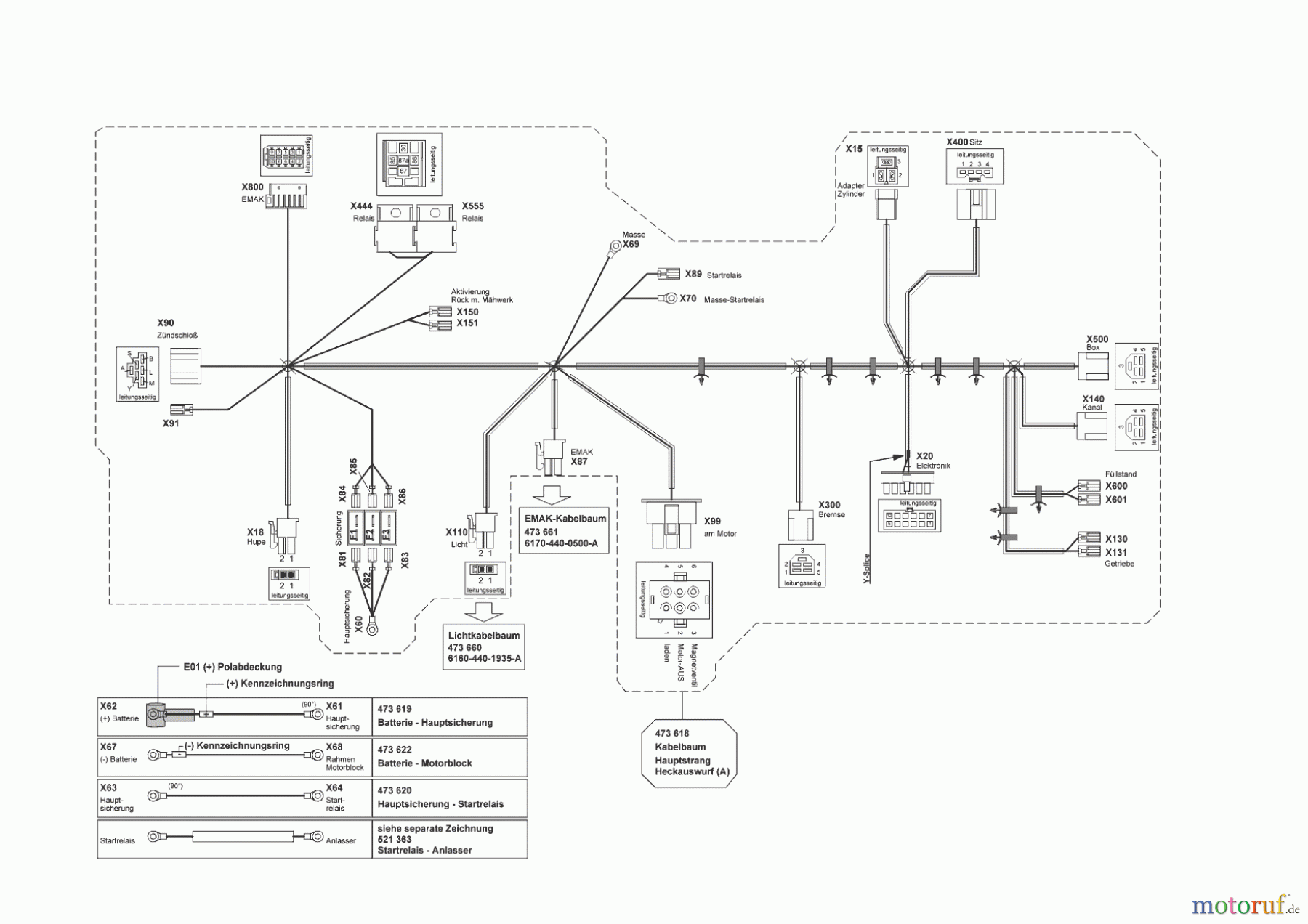
Hier finden Sie die Ersatzteilzeichnung für Brill Gartentechnik Rasentraktor Crossover T 95/13 H 09/2014 - 12/2015 Seite 10. Wählen Sie das benötigte Ersatzteil aus der Ersatzteilliste Ihres Brill Gerätes aus und bestellen Sie einfach online. Viele Brill Ersatzteile halten wir ständig in unserem Lager für Sie bereit.


Qualitätsmanagement
Informieren Sie uns, wenn Sie einen Fehler gefunden haben.

