Brill Rasentraktor Crossover 74-13 Ersatzteile
Crossover 74-13 Rasentraktor
Artikel Nummer: 118896 118896

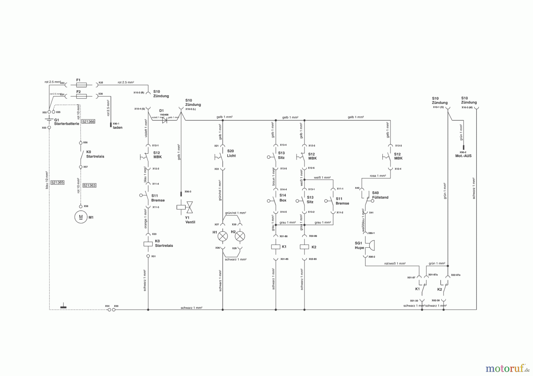
Hier finden Sie die Ersatzteilzeichnung für Brill Gartentechnik Rasentraktor Crossover 74-13 01/2007 - 02/2011 Seite 9. Wählen Sie das benötigte Ersatzteil aus der Ersatzteilliste Ihres Brill Gerätes aus und bestellen Sie einfach online. Viele Brill Ersatzteile halten wir ständig in unserem Lager für Sie bereit.
| BildNr | Artikel Nummer | Bezeichnung | |
| AL521363 | KABEL ROT STARTER/RELAIS | ||
| AL521365 | KABEL BLAU MASSELEITER | ||
| AL521366 | KABEL ROT BATTERIE/RELAIS | ||


Qualitätsmanagement
Informieren Sie uns, wenn Sie einen Fehler gefunden haben.

