Brill Rasentraktor 95-16 H CROSSOVER Ersatzteile
95-16 H CROSSOVER Rasentraktor
Artikel Nummer: 119590 119590

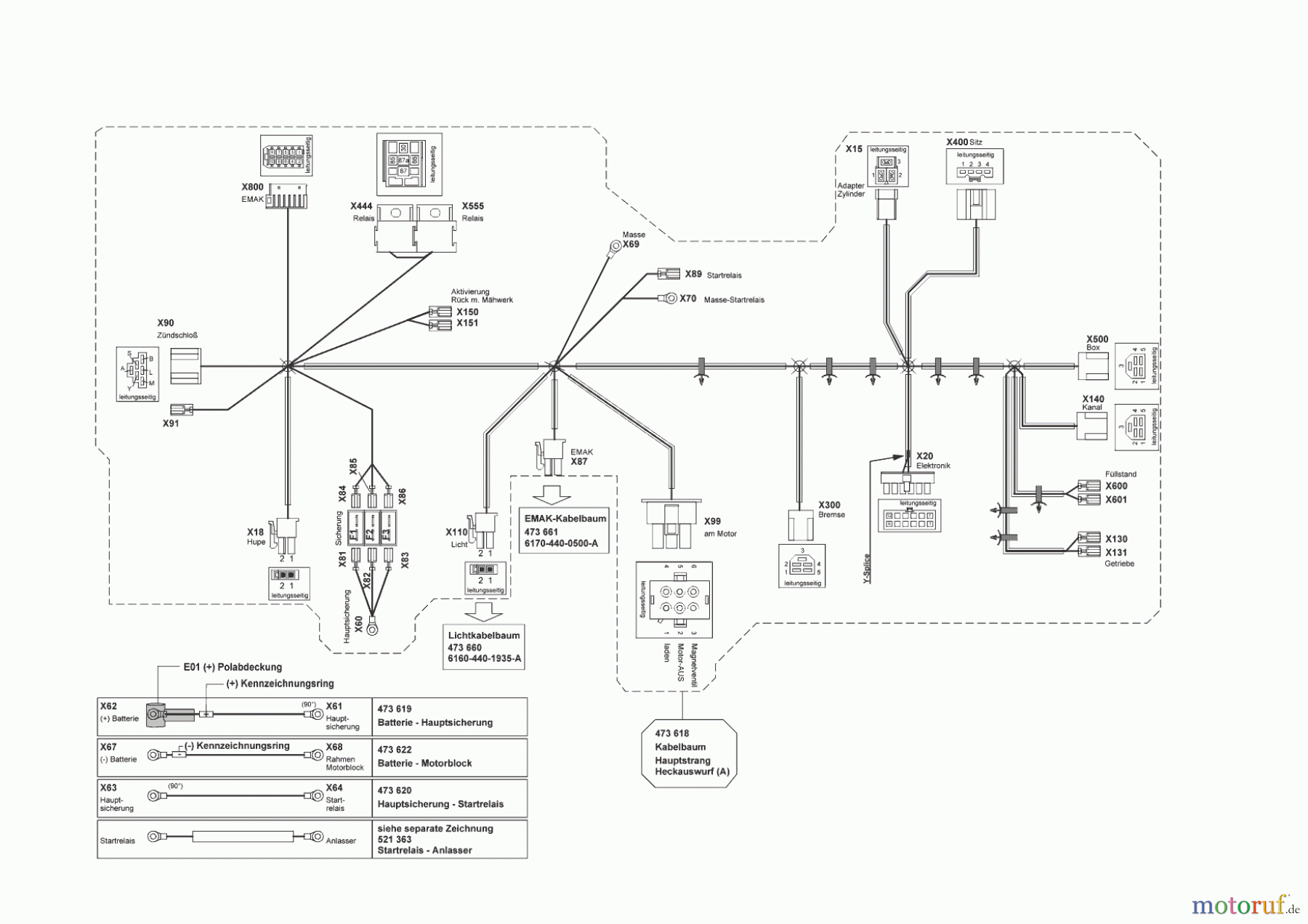
Hier finden Sie die Ersatzteilzeichnung für Brill Gartentechnik Rasentraktor 95-16 H CROSSOVER 05/2015 - 03/2016 Seite 10. Wählen Sie das benötigte Ersatzteil aus der Ersatzteilliste Ihres Brill Gerätes aus und bestellen Sie einfach online. Viele Brill Ersatzteile halten wir ständig in unserem Lager für Sie bereit.


Qualitätsmanagement
Informieren Sie uns, wenn Sie einen Fehler gefunden haben.

