AL-KO T17-102 HD PRO HVC Ersatzteile
T17-102 HD PRO HVC Rasentraktor
Artikel Nummer: 119759 119759

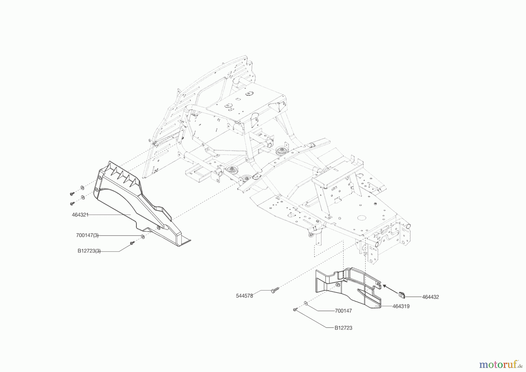
Hier finden Sie die Ersatzteilzeichnung für AL-KO Gartentechnik Rasentraktor T17-102 HD PRO HVC 12/2015 - 03/2016 Seite 7. Wählen Sie das benötigte Ersatzteil aus der Ersatzteilliste Ihres AL-KO Gerätes aus und bestellen Sie einfach online. Viele AL-KO Ersatzteile halten wir ständig in unserem Lager für Sie bereit.


Qualitätsmanagement
Informieren Sie uns, wenn Sie einen Fehler gefunden haben.

