AL-KO Park 1300 Edition 00/0 Ersatzteile
00/0 Park 1300 Edition
Artikel Nummer: 118252 118252

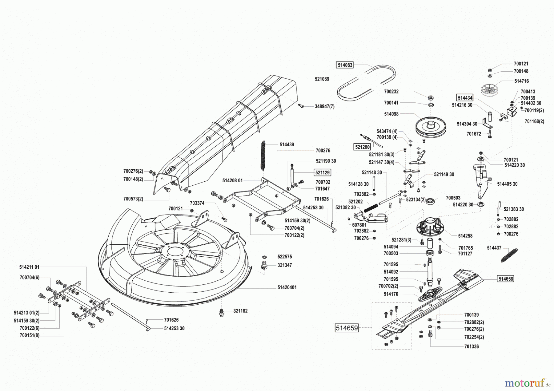
Hier finden Sie die Ersatzteilzeichnung für AL-KO Gartentechnik Rasentraktor Park 1300 Edition 00/0 Seite 5. Wählen Sie das benötigte Ersatzteil aus der Ersatzteilliste Ihres AL-KO Gerätes aus und bestellen Sie einfach online. Viele AL-KO Ersatzteile halten wir ständig in unserem Lager für Sie bereit.


Qualitätsmanagement
Informieren Sie uns, wenn Sie einen Fehler gefunden haben.























