AL-KO COMFORT T 2000 HD Ersatzteile
COMFORT T 2000 HD Rasentraktor
Artikel Nummer: 118842 118842

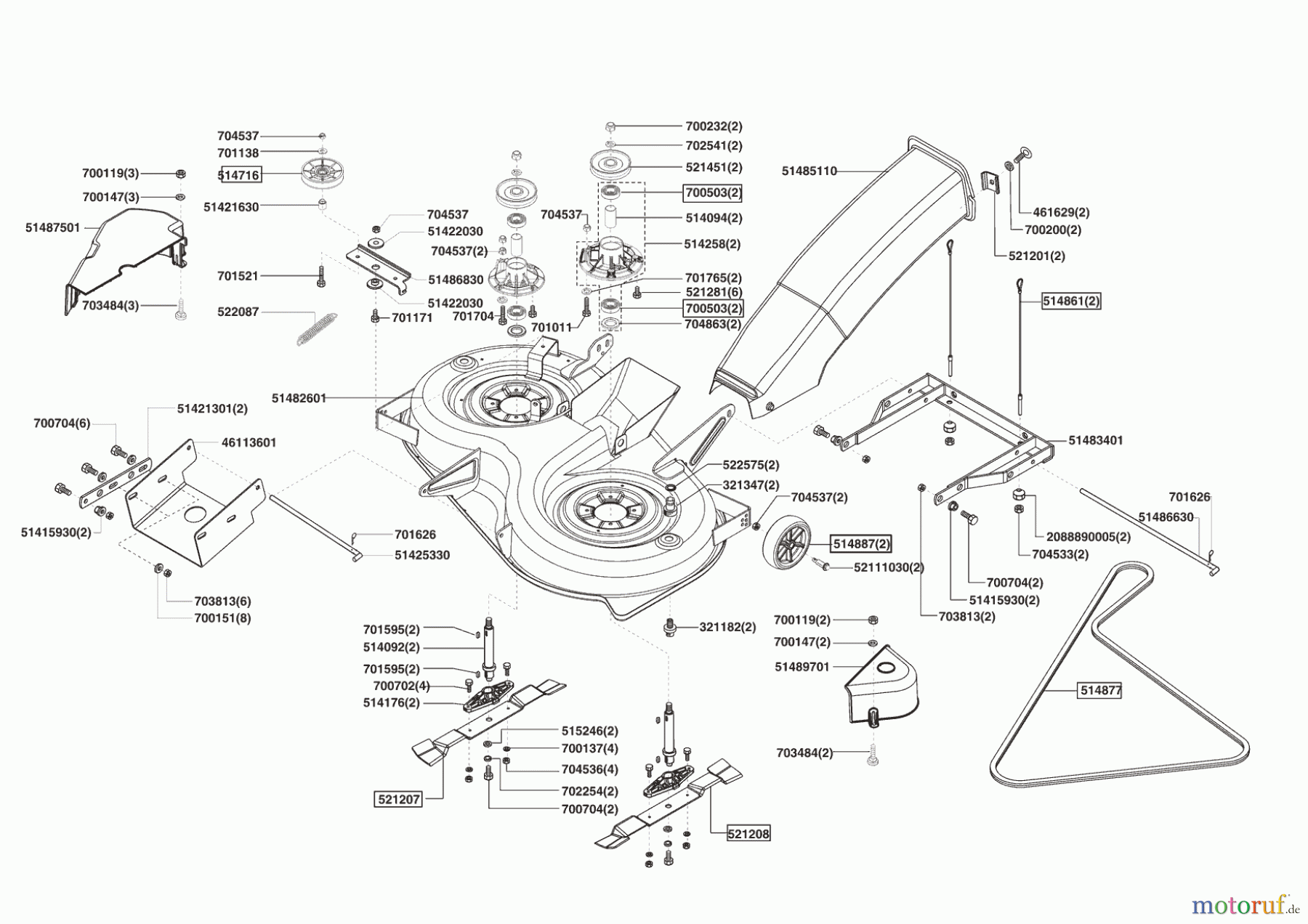
Hier finden Sie die Ersatzteilzeichnung für AL-KO Gartentechnik Rasentraktor COMFORT T 2000 HD 04/2006 Seite 5. Wählen Sie das benötigte Ersatzteil aus der Ersatzteilliste Ihres AL-KO Gerätes aus und bestellen Sie einfach online. Viele AL-KO Ersatzteile halten wir ständig in unserem Lager für Sie bereit.


Qualitätsmanagement
Informieren Sie uns, wenn Sie einen Fehler gefunden haben.




























