AL-KO T20-102 HDE MASPORT Ersatzteile
T20-102 HDE MASPORT Rasentraktor
Artikel Nummer: 119193 119193

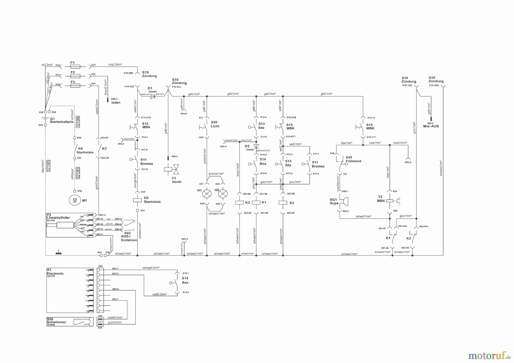
Hier finden Sie die Ersatzteilzeichnung für AL-KO Gartentechnik Rasentraktor T20-102 HDE MASPORT ab 11/2009 Seite 9. Wählen Sie das benötigte Ersatzteil aus der Ersatzteilliste Ihres AL-KO Gerätes aus und bestellen Sie einfach online. Viele AL-KO Ersatzteile halten wir ständig in unserem Lager für Sie bereit.


Qualitätsmanagement
Informieren Sie uns, wenn Sie einen Fehler gefunden haben.

