AL-KO T13-102 S BIO-COMBI HVC Ersatzteile
T13-102 S BIO-COMBI HVC Rasentraktor
Artikel Nummer: 119165 119165

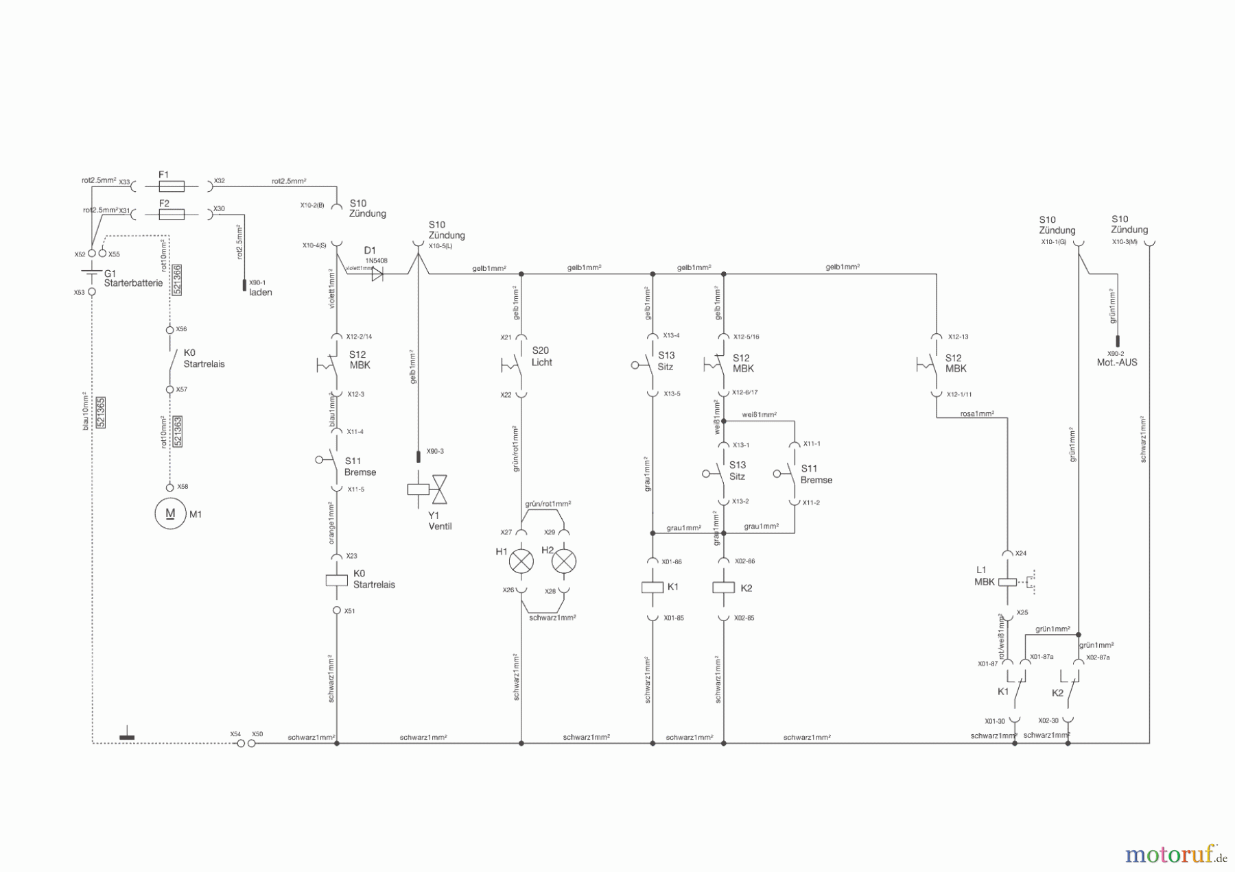
Hier finden Sie die Ersatzteilzeichnung für AL-KO Gartentechnik Rasentraktor T13-102 S BIO-COMBI HVC ab 07/2012 Seite 8. Wählen Sie das benötigte Ersatzteil aus der Ersatzteilliste Ihres AL-KO Gerätes aus und bestellen Sie einfach online. Viele AL-KO Ersatzteile halten wir ständig in unserem Lager für Sie bereit.
| BildNr | Artikel Nummer | Bezeichnung | |
| AL521363 | KABEL ROT STARTER/RELAIS | ||
| AL521365 | KABEL BLAU MASSELEITER | ||
| AL521366 | KABEL ROT BATTERIE/RELAIS | ||


Qualitätsmanagement
Informieren Sie uns, wenn Sie einen Fehler gefunden haben.

