AL-KO Piro Exterior 46 B Ersatzteile
Piro Exterior 46 B Benzinrasenmäher
Artikel Nummer: 120633 120633

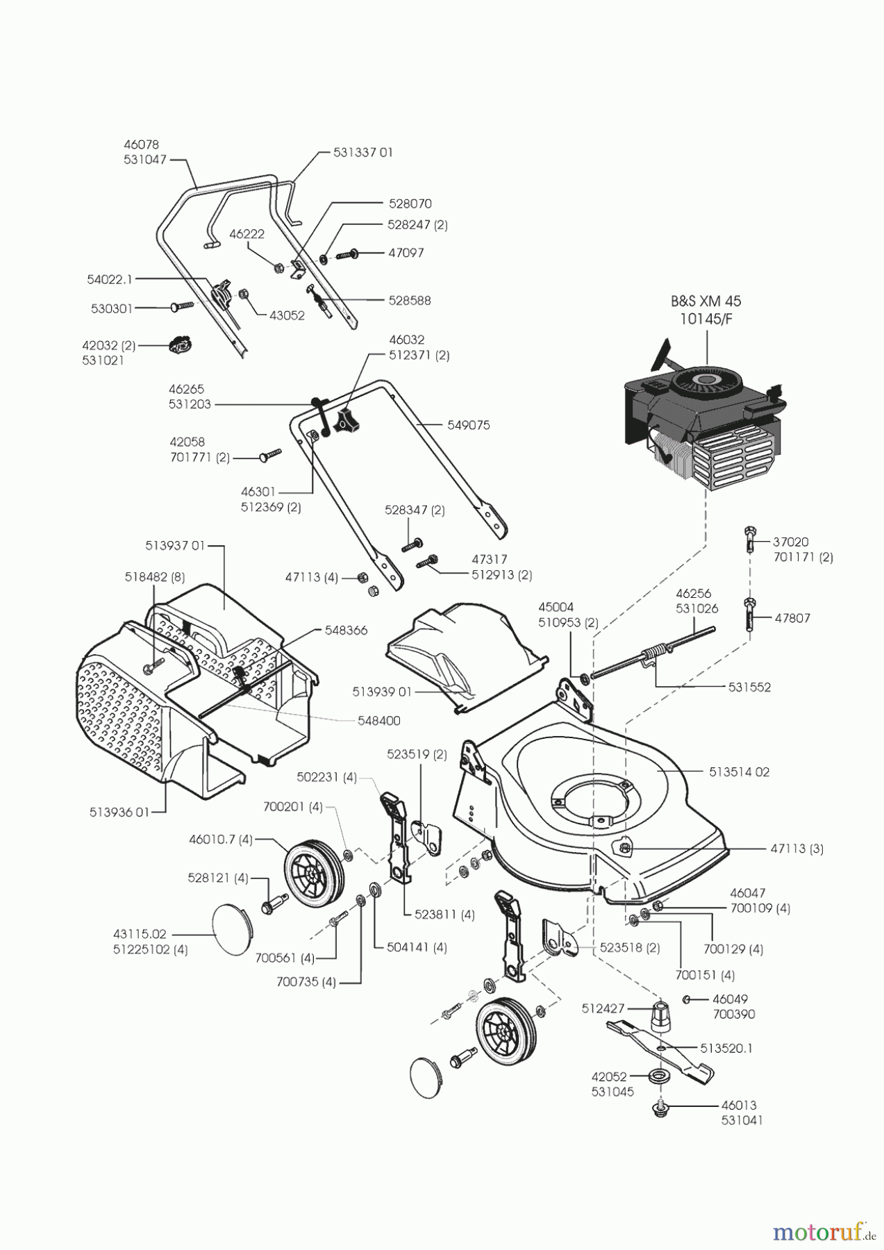
Hier finden Sie die Ersatzteilzeichnung für AL-KO Gartentechnik Benzinrasenmäher Piro Exterior 46 B 04/1999 Seite 1. Wählen Sie das benötigte Ersatzteil aus der Ersatzteilliste Ihres AL-KO Gerätes aus und bestellen Sie einfach online. Viele AL-KO Ersatzteile halten wir ständig in unserem Lager für Sie bereit.