AL-KO Lazer 414 A Ersatzteile
Lazer 414 A Benzinrasenmäher
Artikel Nummer: 120692 120692

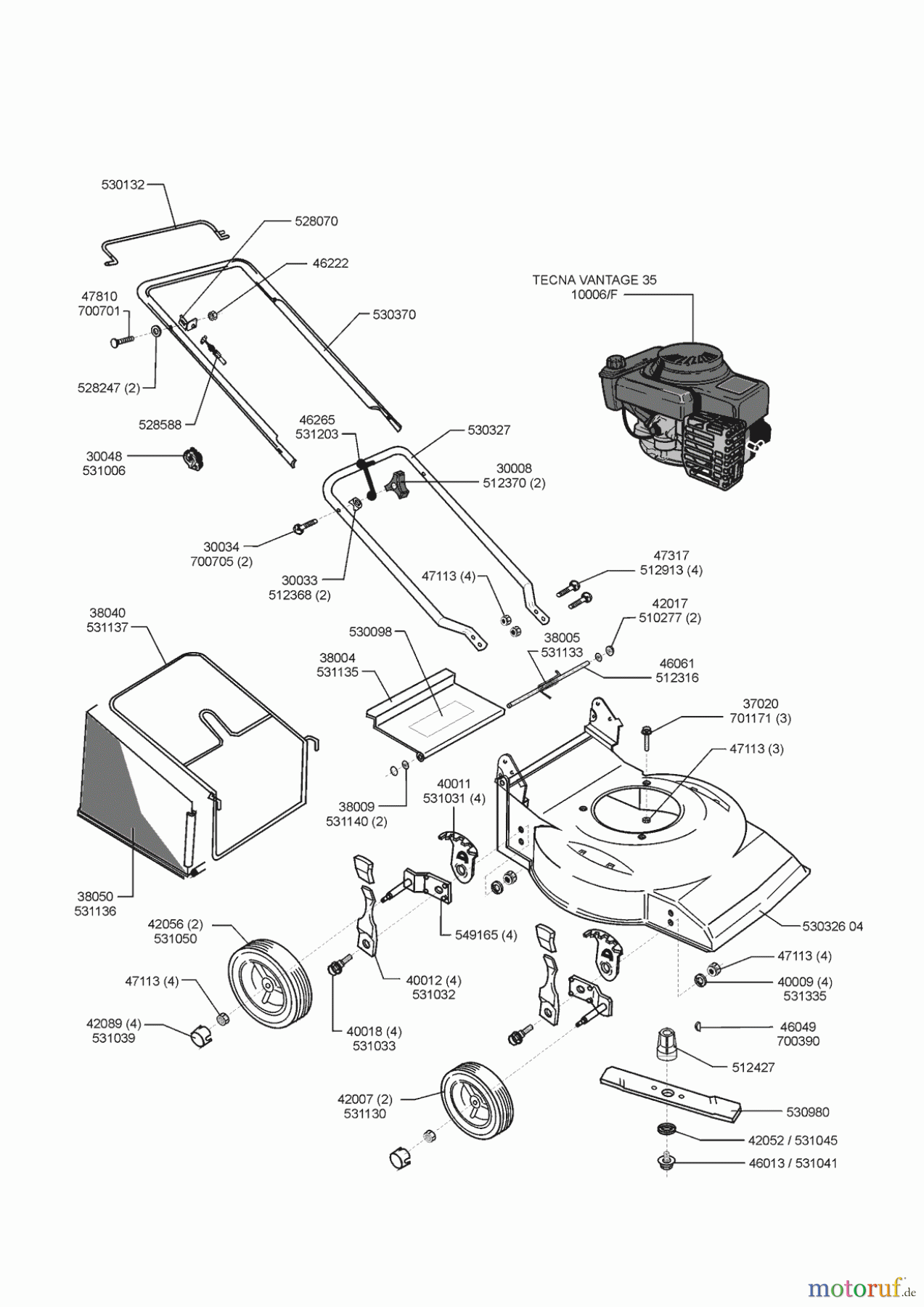
Hier finden Sie die Ersatzteilzeichnung für AL-KO Gartentechnik Benzinrasenmäher Lazer 414 A 09/1999 Seite 1. Wählen Sie das benötigte Ersatzteil aus der Ersatzteilliste Ihres AL-KO Gerätes aus und bestellen Sie einfach online. Viele AL-KO Ersatzteile halten wir ständig in unserem Lager für Sie bereit.


Qualitätsmanagement
Informieren Sie uns, wenn Sie einen Fehler gefunden haben.




